Задвижка чугунная под электропривод 30ч906бр ЛАЗ

0 ОТЗЫВ-Ы / ДОБАВИТЬ ОТЗЫВ

Двухдисковая
С выдвижным шпинделем
Привод: электрический
Рабочая среда: вода, пар
Производитель: Россия (ЛАЗ)

Задвижка чугунная 30ч906бр ЛАЗ под электропривод применяется в качестве запорного устройства в системах отопления, горячего и холодного водоснабжения, а так же в системах пожаротушения. Возможность управления задвижкой чугунной 30ч906бр ЛАЗ осуществляется не только с дистанционного блока управления, но и на месте с помощью ручного дублера.

Цены на 30ч906бр ЛАЗ под электропривод

ДУ Цена
50 2 706 руб.
80 3 802 руб.
100 4 356 руб.
150 6 917 руб.
200 12 250 руб.
250 21 067 руб.
300 -
400 63 928 руб.

Преимущества

  • Простота конструкции
  • Небольшое гидравлическое сопротивление
  • Ремонтопригодность
  • Возможность многоразового применения
  • Высокая скорость перекрытия, либо открытия рабочей среды

Технические характеристики

Диаметр условного
прохода Dn,мм
50 80 100 150 200 250 300 400
Масса, кг, не более 18 28,1 34,5 67,3 90 136 203 384
Строительная длина L,мм 180 210 230 280 330 450 500 600
Габаритная высота H,мм 310 350 380 520 720 800 950 1280
Условное давление Pn,(кгс/см2) 1.0 (10)
Температура рабочей среды °С От -5°С до +225°С
Максимально допустимый крутящий
момент на шпинделе, Нм, не более
18 46 55 72 110 194 266 450

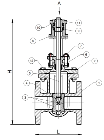
Основные материалы конструкции

  1. Корпус - Сч 18 ГОСТ 1412-85
  2. Крышка - Сч 18 ГОСТ 1412-85
  3. Диски - Сч 18 ГОСТ 1412-85
  4. Клин - Сч 18 ГОСТ 1412-85
  5. Шпиндель - Сталь 45 ГОСТ 1050-88
  6. Набивка уплотнительная - АП-31 ГОСТ 5152-84Е
  7. Крышка сальника - Сч 18 ГОСТ 1412-85
  8. Корпус бугельного узла - Сч 18 ГОСТ 1412-85
  9. Упорный подшипник
  10. Пятикулачковая муфта - Латунь Ц38Мц2С2 ГОСТ 17711-93
  11. Упорная гайка - Сч 18 ГОСТ 1412-85
  12. Прокладка под крышку - Паронит ПОН ГОСТ 481-80
Конструкция задвижки чугунной 30ч906бр ЛАЗ под электропривод
Отзыв
Оставить отзыв
Имя
E-mail
Текст комментария
Оценка для товара
Copyright MAXXmarketing Webdesigner GmbH