Задвижка чугунная 30ч939р с обрезиненным клином под электропривод

0 ОТЗЫВ-Ы / ДОБАВИТЬ ОТЗЫВ

Обрезиненный клин
Присоединение: фланцевое
Привод: ручной
Рабочая среда: вода,,
неагрессивные жидкие среды
Производитель: Россия (ЛАЗ)

Задвижка 30ч939р ЛАЗ фланцевая чугунная с обрезиненным клином, невыдвижным шпинделем под электропривод применяется как запорное устройство на трубопроводах для питьевой воды, при температуре до 120°С и давлением до 1,6мПа (16 кгс/см2) для Ду 50-150 и 1,0МПа (10 кгс/см2) для Ду 200-500. Задвижка покрыта эпоксидной краской, что увеличивает коррозийную стойкость материалов.

Возможность управления задвижкой чугунной с обрезиненным клином 30ч939р ЛАЗ осуществляется не только в электрическом режиме, но и на месте с помощью ручного дублера электропривода.

Цены на 30ч939р ЛАЗ

ДУ Цена
40 3 580 руб.
50 5 720 руб.
65 6 890 руб.
80 8 060 руб.
100 9 490 руб.
125 13 260 руб.
150 14 300 руб.
200 23 530 руб.
250 34 320 руб.
300 43 550 руб.
350 82 290 руб.
400 103 220 руб.
500 172 770 руб.

Преимущества

  • Высокая надежность
  • Малый крутящий момент
  • Отсутствует сальниковый узел
  • Отсутствует возможность заклинивания затвора при колебаниях температуры
  • Двойное уплотнение шпинделя
  • Отсутствует приямок в корпусе задвижки
  • высокая скорость перекрытия, либо открытия рабочей среды

Технические характеристики

Показатель Диаметр условного прохода Dn, мм
50 65 80 100 125 150 200 250 300 350 400 500
Масса, кг,не более 10 12 15,5 18,5 25 34 49 75 110 176 219 404
Строительная длина L, мм, ГОСТ 3706-83 150 170 180 190 200 210 230 250 270 290 310 350
Габаритная высота без эл.приводаH, мм. 300 270 360 410 480 530 660 770 870 1020 1230 1380
Условное давлениеPn, Мпа (кгс/см2) 1,6 (16) 1,6 (16) 1,6 (16) 1,6 (16) 1,6 (16) 1,6 (16) 1,0 (10) 1,0 (10) 1,0 (10) 1,0 (10) 1,0 (10) 1,0 (10)
Температура рабочейсреды От -5°С до +95°С
Максимально допустимая температура до + 120°С
Протечки затвора,см3/мин, не более 0,3 0,39 0,48 0,6 0,75 0,9 1,2 1,5 1,8 2,1 2,4 3
Величина рабочего ходазатвора, обороты 8-9,5 10-12 12-14 16-19 21-25 26-31 31-32 34-37 45-48 52-58 60-63 70-75
Максимально допустимый крутящий
момент на шпинделе, Нм, не более
70 70 70 80 80 100 150 200 200 300 600 600
Тип присоединения к арматуре по ОСТ 26-07-763-73 А (пятикулачковая муфта) А (квадрат 19) Б (пятикулачковая муфта) В (пятикулачковая муфта)
Средний ресурс до списания, цикл, ч, не менее 1000 1000 1000 1000 1000 1000 1000 1000 1000 1000 1000 1000
Средняя наработка на отказ/цикл 600 600 600 600 600 600 600 600 600 600 600 600
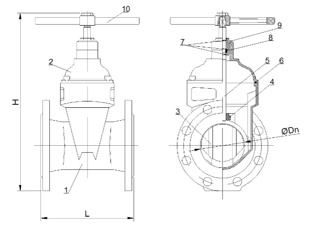
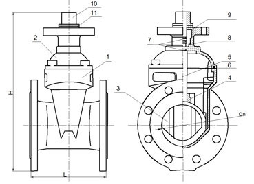
Задвижка 30ч939р схема

Основные материалы конструкции

  1. Корпус - Чугун
  2. Крышка - Чугун
  3. Клин - Чугун обрезиненный (ЭПДМ)
  4. Гайка шпинделя - Бронза
  5. Шпиндель - Сталь 45
  6. Прокладка крышки - Резина
  7. Уплотнительные кольца - Резина
  8. Втулка - Бронза
  9. Упорная гайка - Чугун
  10. Втулка - Сталь 45
  11. Дистанционная шайба - Фторопласт
Конструкция задвижки чугунной 30ч39р ЛАЗ
Отзыв
Оставить отзыв
Имя
E-mail
Текст комментария
Оценка для товара
Copyright MAXXmarketing Webdesigner GmbH