Вся продукция Dendor
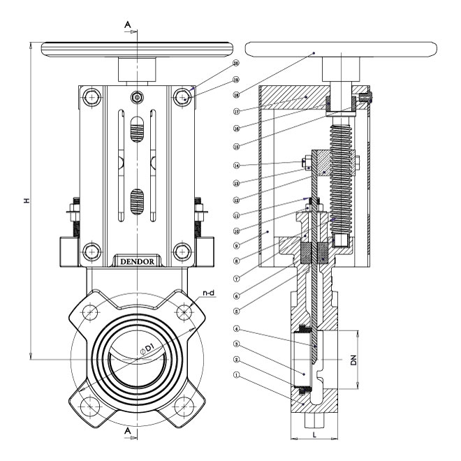
Стальная шиберная задвижка K10GV применяются в тех случаях, когда допускается одностороннее направление потока рабочей среды и не требуется высокая герметичность запорного органа. Она предназначена для установки в качестве запорных устройств на трубопроводах, транспортирующих канализационные стоки, шламы, пульпы и другие, загрязнённые механическими примесями среды.
| Ду, мм | Цена за шт |
|---|---|
| 50 | по запросу |
| 65 | по запросу |
| 80 | по запросу |
| 100 | по запросу |
| 125 | по запросу |
| 150 | по запросу |
| 200 | по запросу |
| 250 | по запросу |
| 300 | по запросу |
| DN | L | ?D1 | n-?d |
|---|---|---|---|
| DN 50 | 43 | 125 | 4-19 |
| DN 65 | 46 | 145 | 4-19 |
| DN 80 | 46 | 160 | 8-19 |
| DN 100 | 52 | 180 | 8-19 |
| DN 125 | 56 | 210 | 8-23 |
| DN 150 | 56 | 240 | 8-23 |
| DN 200 | 60 | 295 | 8-23 |
| DN 250 | 68 | 350 | 12-23 |
| DN 300 | 78 | 400 | 12-23 |
