Вся продукция Dendor
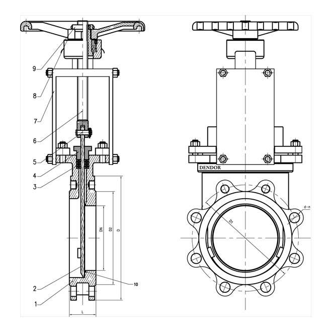
Стальная шиберная задвижка K10GVS с выдвижным штоком применяются в тех случаях, когда допускается одностороннее направление потока рабочей среды и не требуется высокая герметичность запорного органа. Она предназначена для установки в качестве запорных устройств на трубопроводах, транспортирующих канализационные стоки, шламы, пульпы и другие, загрязнённые механическими примесями среды.
Цены на задвижки K10GVS
| Ду, мм |
Цена за шт |
| 350 |
по запросу |
| 400 |
по запросу |
Технические характеристики
- Присоединение: фланцевое
- Давление, МПа: PN 10
- Рабочая среда: канализационные очистные сооружения, бумажная промышленность, горнодобывающая промышленность, химическая и пищевая промышленность, а так же вязкие жидкости, сыпучие продукты и т.п
- Температура рабочей среды: от -20°C до +120°C
- Направление потока – однонаправленное
- Материал корпусных деталей: литой стальной с термообработанным эпоксидным покрытием
- Конструктивное исполнение - с маховиком (штурвалом); с редуктором
- Производители: Dendor Valve Industrial (Польша)
Габаритные и присоединительные размеры
| DN |
L |
?D |
?D1 |
?D2 |
n-?d |
| DN 350 |
76 |
500 |
460 |
428 |
16-22 |
| DN 400 |
89 |
565 |
515 |
482 |
16-24 |
