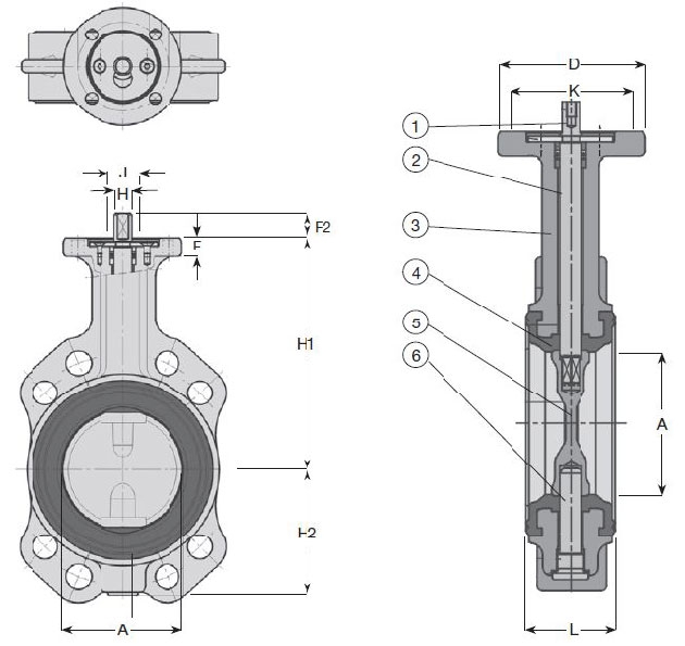
Затвор AVK концентрический межфланцевый относится к дроссельной запорной арматуре. Применяется в сетях горячего и холодного водоснабжения на трубопроводах, транспортирующих неагрессивные жидкости. Температура рабочей среды не должна превышать 110°C. Конструкция затвора по EN 593, ISO 10631. Строительная длина затвора – по EN 558-1/2 Series 20. Межфланцевый монтаж по ISO 7005-2 (EN 1092-2; 1997, DIN 2501).

| Вид уплотнения | Диапазон температур |
Область применения | Свойства |
|---|---|---|---|
| NBR | от -20°С до +90°С | Углеводороды с 40% ароматических веществ, воздух, природный газ, вода, морская вода, гликоль, метан, бутан, нефть. |
Отличные механические свойства (стирание). Подходит для минеральных масел, определенных углеводородов, растворителей. |
| EPDM | от -40°С до +130°С | Вода, пар, морская вода, горячая вода, сжатый воздух, неорганические кислоты, абразивные субстанции, каустическая сода |
Хорошее уплотнение для средних температур, озон, животные и растительные жиры, спирт, морская вода, пар, каустическая сода. |
| VITON | от -20°С до +160°С | Растворители (кроме ацетона), кислоты, щелочи. |
Хорошая устойчивость к жаре и свету, для гидравлических жидкостей, горючих веществ, газов, углеводородов. |