Цена по запросу.
Затворы дисковые полнопроходные Vexve BFC с регулирующей функцией выпускаются с Ду от 350 до 800 мм и комплектуются приводным механизмом - редуктором с червячной передачей.
Уплотнение дисковых затворов Vexve - металл по металлу - имеет много преимуществ перед мягкими уплотнениями, так как производится из нержавеющей стали, которая выдерживает более высокие температуры и не требует замены весь срок эксплуатации дискового затвора - 25 лет.
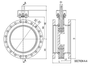
| Код | DN | L | L1 | H1 | H2 | H3 | H4 | D | D1 | D2 | D3 | Kv | Кг |
|---|---|---|---|---|---|---|---|---|---|---|---|---|---|
| BFC350F1 | 350 | 458 | 218 | 255 | 445,0 | 65 | 325,0 | 520 | 35 | 470 | 26 | 7400 | 138 |
| BFC400F1 | 400 | 484 | 244 | 285 | 466,5 | 65 | 346,5 | 580 | 40 | 525 | 30 | 9800 | 175 |
| BFC500F1 | 500 | 522 | 239 | 360 | 528,0 | 80 | 408,0 | 715 | 50 | 650 | 33 | 15600 | 279 |
| BFC600F1 | 600 | 570 | 274 | 440 | 575,0 | 110 | 450,0 | 840 | 60 | 770 | 36 | 22700 | 430 |
| BFC700F1 | 700 | 642 | 314 | 495 | 625,0 | 110 | 500,5 | 910 | 70 | 840 | 36 | 31300 | 520 |
| BFC800F1 | 800 | 690 | 345 | 581 | 733,0 | 130 | 573,0 | 1025 | 90 | 950 | 39 | 40700 | 763 |
| Код | DN | L | L1 | H1 | H2 | H3 | H4 | D | D1 | D2 | D3 | Kv | Кг |
|---|---|---|---|---|---|---|---|---|---|---|---|---|---|
| BFC350F2 | 350 | 494 | 236 | 255 | 445,0 | 65 | 325,0 | 555 | 35 | 490 | 33 | 7400 | 258 |
| BFC400F2 | 400 | 534 | 269 | 285 | 466,5 | 65 | 346,5 | 620 | 40 | 550 | 36 | 9800 | 175 |
| BFC500F2 | 500 | 604 | 280 | 360 | 528,0 | 80 | 408,0 | 730 | 50 | 660 | 36 | 15600 | 279 |
| BFC600F2 | 600 | 644 | 311 | 440 | 575,0 | 110 | 450,0 | 845 | 60 | 770 | 39 | 22700 | 430 |
| BFC700F2 | 700 | 692 | 339 | 495 | 625,0 | 110 | 500,5 | 960 | 70 | 875 | 42 | 31300 | 520 |
| BFC800F2 | 800 | 750 | 375 | 581 | 733,0 | 130 | 573,0 | 1085 | 90 | 990 | 48 | 40700 | 763 |

| Вид уплотнения | Диапазон температур |
Область применения | Свойства |
|---|---|---|---|
| NBR | от -20°С до +90°С | Углеводороды с 40% ароматических веществ, воздух, природный газ, вода, морская вода, гликоль, метан, бутан, нефть. |
Отличные механические свойства (стирание). Подходит для минеральных масел, определенных углеводородов, растворителей. |
| EPDM | от -40°С до +130°С | Вода, пар, морская вода, горячая вода, сжатый воздух, неорганические кислоты, абразивные субстанции, каустическая сода |
Хорошее уплотнение для средних температур, озон, животные и растительные жиры, спирт, морская вода, пар, каустическая сода. |
| VITON | от -20°С до +160°С | Растворители (кроме ацетона), кислоты, щелочи. |
Хорошая устойчивость к жаре и свету, для гидравлических жидкостей, горючих веществ, газов, углеводородов. |