Цена по запросу.
Затворы дисковые полнопроходные Vexve BFS комплектуются приводным механизмом - редуктором с червячной передачей. Предназначены для перекрытия и регулирования потока рабочей среды в системах тепло- и хладоснабжения, на паро- и нефтепроводах. Рекомендуется комплектовать дисковые затворы серии BFS электроприводами производства компаний ZPA Pecky и Auma.
Уплотнение дисковых затворов Vexve - металл по металлу - имеет много преимуществ перед мягкими уплотнениями, так как производится из нержавеющей стали, которая не требует замены весь срок эксплуатации (25 лет) и выдерживает более высокие температуры.
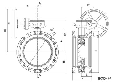
| Код | DN | L | L1 | L2 | L3 | H1 | H2 | H3 | H4 | D | D1 | D2 | D3 | Kv | Кг |
|---|---|---|---|---|---|---|---|---|---|---|---|---|---|---|---|
| BFS350F1 | 350 | 458 | 218 | 105 | 136 | 255 | 444 | 593 | 325,0 | 520 | 400 | 470 | 26 | 7400 | 154 |
| BFS400F1 | 400 | 484 | 244 | 130 | 387 | 285 | 492 | 672 | 346,5 | 580 | 500 | 525 | 30 | 9800 | 203 |
| BFS500F1 | 500 | 522 | 239 | 211 | 440 | 360 | 553 | 683 | 408,0 | 715 | 400 | 650 | 33 | 15600 | 320 |
| BFS600F1 | 600 | 570 | 274 | 211 | 450 | 440 | 600 | 780 | 450,0 | 840 | 500 | 770 | 36 | 22700 | 454 |
| BFS700F1 | 700 | 642 | 314 | 357 | 567 | 495 | 653 | 783 | 500,5 | 910 | 400 | 840 | 36 | 31300 | 612 |
| BFS800F1 | 800 | 690 | 345 | 357 | 567 | 581 | 741 | 871 | 573,0 | 1025 | 400 | 950 | 39 | 40700 | 880 |
| Код | DN | L | L1 | L2 | L3 | H1 | H2 | H3 | H4 | D | D1 | D2 | D3 | Kv | Кг |
|---|---|---|---|---|---|---|---|---|---|---|---|---|---|---|---|
| BFS350F2 | 350 | 494 | 236 | 105 | 136 | 255 | 444 | 593 | 325,0 | 555 | 400 | 490 | 33 | 7400 | 274 |
| BFS400F2 | 400 | 534 | 269 | 130 | 387 | 285 | 492 | 672 | 346,5 | 620 | 500 | 550 | 36 | 9800 | 203 |
| BFS500F2 | 500 | 604 | 280 | 211 | 440 | 360 | 553 | 683 | 408,0 | 730 | 400 | 660 | 36 | 15600 | 320 |
| BFS600F2 | 600 | 644 | 311 | 211 | 450 | 440 | 600 | 780 | 450,0 | 845 | 500 | 770 | 39 | 22700 | 454 |
| BFS700F2 | 700 | 692 | 339 | 357 | 567 | 495 | 653 | 783 | 500,5 | 960 | 400 | 875 | 42 | 31300 | 612 |
| BFS800F2 | 800 | 750 | 375 | 357 | 567 | 581 | 741 | 871 | 573,0 | 1085 | 400 | 990 | 48 | 40700 | 880 |

| Вид уплотнения | Диапазон температур |
Область применения | Свойства |
|---|---|---|---|
| NBR | от -20°С до +90°С | Углеводороды с 40% ароматических веществ, воздух, природный газ, вода, морская вода, гликоль, метан, бутан, нефть. |
Отличные механические свойства (стирание). Подходит для минеральных масел, определенных углеводородов, растворителей. |
| EPDM | от -40°С до +130°С | Вода, пар, морская вода, горячая вода, сжатый воздух, неорганические кислоты, абразивные субстанции, каустическая сода |
Хорошее уплотнение для средних температур, озон, животные и растительные жиры, спирт, морская вода, пар, каустическая сода. |
| VITON | от -20°С до +160°С | Растворители (кроме ацетона), кислоты, щелочи. |
Хорошая устойчивость к жаре и свету, для гидравлических жидкостей, горючих веществ, газов, углеводородов. |