Дисковые затворы Vexve серии BRC полнопроходные с приваными концами по ГОСТу выпускаются Ду от 900 до 1200 мм. Затворы комплектуются приводным механизмом - редуктором с червячной передачей. Дисковые затворы Vexve предназначены для перекрытия и регулирования потока рабочей среды в системах тепло- и хладоснабжения, на паро- и нефтепроводах. Рекомендуем комплектовать дисковые затворы серии BRC электроприводами производства компаний ZPA Pecky и Auma. Уплотнение дисковых затворов Vexve (металл по металлу) производится из нержавеющей стали, которая выдерживает более высокие температуры и не требует замены весь срок эксплуатации дискового затвора - 25 лет.
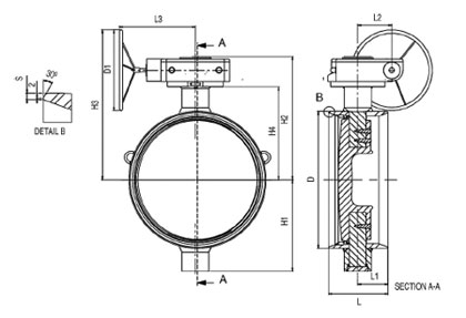
| Код | DN | L | L1 | L2 | L3 | H1 | H2 | H3 | H4 | D | D1 | S | Kv | Кг |
|---|---|---|---|---|---|---|---|---|---|---|---|---|---|---|
| BRS900W1 | 900 | 410 | 221,0 | 431 | 591 | 631 | 841 | 948 | 623 | 914 | 400 | 10 | 46100 | 983 |
| BRS1000W1 | 1000 | 440 | 224,0 | 431 | 591 | 678 | 907 | 1014 | 689 | 1016 | 400 | 10 | 56900 | 1229 |
| BRS1200W1 | 1200 | 500 | 227,5 | 250 | 600 | 730 | 1154 | 1225 | 848 | 1219 | 400 | 13 | 65000 | 1850 |
| BRS900W1/GS | 900 | 410 | 221,0 | 431 | 591 | 631 | 841 | 948 | 623 | 920 | 400 | 14 | 46100 | 983 |
| BRS1000W1/GS | 1000 | 440 | 224,0 | 431 | 591 | 678 | 907 | 1014 | 689 | 1020 | 400 | 15 | 56900 | 1229 |
| BRS1200W1/GS | 1200 | 500 | 227,5 | 250 | 600 | 730 | 1154 | 1225 | 848 | 1220 | 400 | 15 | 65000 | 1850 |
| Код | DN | L | L1 | L2 | L3 | H1 | H2 | H3 | H4 | D | D1 | S | Kv | Кг |
|---|---|---|---|---|---|---|---|---|---|---|---|---|---|---|
| BRS900W2 | 900 | 410 | 221,0 | 431 | 591 | 631 | 841 | 948 | 623 | 914 | 400 | 10 | 46100 | 983 |
| BRS1000W2 | 1000 | 440 | 224,0 | 431 | 591 | 678 | 907 | 1014 | 689 | 1016 | 400 | 10 | 56900 | 1229 |
| BRS1200W2 | 1200 | 500 | 227,5 | 250 | 600 | 730 | 1154 | 1225 | 848 | 1219 | 400 | 13 | 65000 | 1850 |
| BRS900W2/GS | 900 | 410 | 221,0 | 431 | 591 | 631 | 841 | 948 | 623 | 920 | 400 | 14 | 46100 | 983 |
| BRS1000W2/GS | 1000 | 440 | 224,0 | 431 | 591 | 678 | 907 | 1014 | 689 | 1020 | 400 | 15 | 56900 | 1229 |
| BRS1200W2/GS | 1200 | 500 | 227,5 | 250 | 600 | 730 | 1154 | 1225 | 848 | 1220 | 400 | 15 | 65000 | 1850 |

| Вид уплотнения | Диапазон температур |
Область применения | Свойства |
|---|---|---|---|
| NBR | от -20°С до +90°С | Углеводороды с 40% ароматических веществ, воздух, природный газ, вода, морская вода, гликоль, метан, бутан, нефть. |
Отличные механические свойства (стирание). Подходит для минеральных масел, определенных углеводородов, растворителей. |
| EPDM | от -40°С до +130°С | Вода, пар, морская вода, горячая вода, сжатый воздух, неорганические кислоты, абразивные субстанции, каустическая сода |
Хорошее уплотнение для средних температур, озон, животные и растительные жиры, спирт, морская вода, пар, каустическая сода. |
| VITON | от -20°С до +160°С | Растворители (кроме ацетона), кислоты, щелочи. |
Хорошая устойчивость к жаре и свету, для гидравлических жидкостей, горючих веществ, газов, углеводородов. |