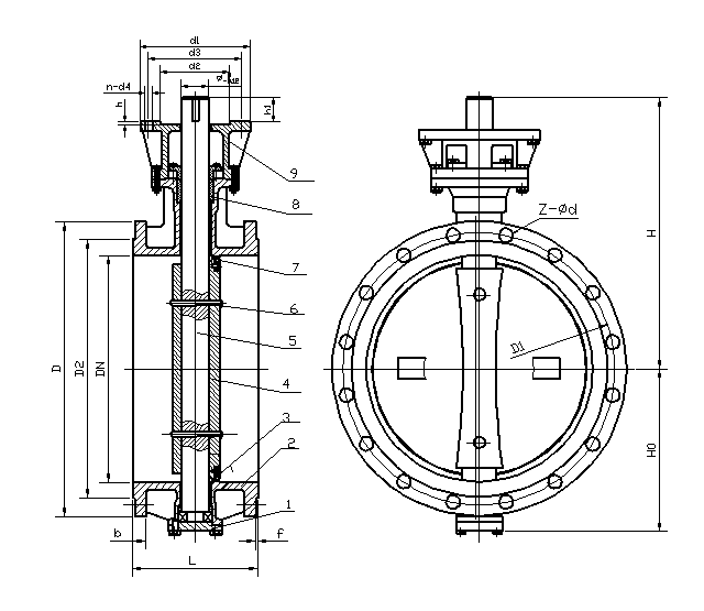
| DN | D | D1 | D2 | b | f | z - ?d | L | H0 | H | ? | d1 | d2 | d3 | h | h1 | n – d4 | N*m | Вес, кг |
|---|---|---|---|---|---|---|---|---|---|---|---|---|---|---|---|---|---|---|
| 100 | 220 | 180 | 156 | 22 | 2 | 8-18 | 127 | 95 | 230 | 18 | 90 | 70 | 55 | 4 | 36 | 4-10 | 170 | 45 |
| 125 | 250 | 210 | 184 | 22 | 2 | 8-18 | 140 | 110 | 257 | 18 | 90 | 70 | 55 | 4 | 36 | 4-10 | 200 | 60 |
| 150 | 285 | 240 | 211 | 24 | 2 | 8-22 | 140 | 150 | 300 | 20 | 125 | 102 | 70 | 4 | 40 | 4-12 | 250 | 80 |
| 200 | 340 | 295 | 266 | 24 | 2 | 8-22 | 152 | 200 | 350 | 26 | 150 | 125 | 85 | 4 | 50 | 4-14 | 351 | 100 |
| 250 | 395 | 350 | 319 | 26 | 2 | 12-22 | 165 | 240 | 370 | 30 | 150 | 125 | 85 | 4 | 60 | 4-14 | 593 | 121 |
| 300 | 445 | 400 | 370 | 26 | 2 | 12-22 | 178 | 270 | 427 | 36 | 150 | 125 | 85 | 4 | 70 | 4-14 | 908 | 159 |
| 350 | 505 | 460 | 429 | 26 | 2 | 16-22 | 190 | 310 | 450 | 40 | 150 | 125 | 85 | 4 | 80 | 4-14 | 1443 | 222 |
| 400 | 565 | 515 | 480 | 26 | 2 | 16-26 | 216 | 352 | 525 | 45 | 175 | 140 | 100 | 5 | 90 | 4-18 | 1971 | 237 |
| 450 | 615 | 565 | 530 | 28 | 2 | 20-26 | 222 | 360 | 543 | 45 | 175 | 140 | 100 | 6 | 90 | 4-18 | 2519 | 271 |
| 500 | 670 | 620 | 582 | 28 | 2 | 20-26 | 229 | 390 | 585 | 50 | 210 | 165 | 130 | 6 | 90 | 4-22 | 3236 | 300 |
| 600 | 780 | 725 | 682 | 34 | 2 | 20-30 | 267 | 450 | 643 | 60 | 300 | 254 | 200 | 6 | 90 | 8-18 | 5011 | 381 |
| 700 | 895 | 840 | 794 | 34 | 5 | 24-30 | 292 | 520 | 737 | 70 | 300 | 254 | 200 | 6 | 100 | 8-18 | 7081 | 651 |
| 800 | 1015 | 950 | 901 | 36 | 5 | 24-33 | 318 | 590 | 885 | 80 | 300 | 254 | 200 | 6 | 150 | 8-18 | 9858 | 792 |
| 900 | 1115 | 1050 | 1001 | 38 | 5 | 28-33 | 330 | 640 | 975 | 90 | 300 | 254 | 200 | 6 | 160 | 8-18 | 13590 | 1034 |
| 1000 | 1230 | 1160 | 1112 | 38 | 5 | 28-36 | 410 | 710 | 1130 | 100 | 350 | 298 | 230 | 6 | 180 | 8-22 | 17973 | 1334 |
| 1200 | 1455 | 1380 | 1328 | 44 | 5 | 28-39 | 470 | 835 | 1220 | 110 | 350 | 298 | 260 | 6 | 180 | 8-22 | 29842 | 1953 |
| 1400 | 1675 | 1590 | 1530 | 48 | 5 | 36-42 | 530 | 1000 | 1430 | 140 | 415 | 356 | 260 | 6 | 200 | 8-33 | 44195 | 2937 |
| 1600 | 1915 | 1820 | 1750 | 52 | 5 | 40-48 | 600 | 1080 | 1500 | 160 | 475 | 406 | 300 | 6 | 240 | 8-39 | 62428 | 4276 |
| 1800 | 2115 | 2020 | 1950 | 56 | 5 | 44-48 | 670 | 1215 | 1650 | 180 | 475 | 406 | 300 | 6 | 250 | 8-39 | 83881 | 5150 |
| 2000 | 2325 | 2230 | 2150 | 60 | 5 | 48-48 | 760 | 1330 | 1720 | 200 | 560 | 483 | 370 | 9 | 260 | 8-39 | 110813 | 6460 |
| DN | D | D1 | D2 | b | f | z - ?d | L | H0 | H | ? | d1 | d2 | d3 | h | h1 | n – d4 | N*m | Вес, кг |
|---|---|---|---|---|---|---|---|---|---|---|---|---|---|---|---|---|---|---|
| 100 | 220 | 180 | 156 | 20 | 2 | 8-18 | 127 | 95 | 230 | 18 | 90 | 70 | 55 | 4 | 36 | 4-10 | 200 | 45 |
| 125 | 250 | 210 | 184 | 22 | 2 | 8-18 | 140 | 110 | 257 | 18 | 90 | 70 | 55 | 4 | 36 | 4-10 | 250 | 60 |
| 150 | 285 | 240 | 211 | 24 | 2 | 8-22 | 140 | 150 | 300 | 20 | 125 | 102 | 70 | 4 | 40 | 4-12 | 300 | 80 |
| 200 | 340 | 295 | 266 | 26 | 2 | 12-22 | 152 | 200 | 350 | 26 | 150 | 125 | 85 | 4 | 50 | 4-14 | 434 | 100 |
| 250 | 405 | 355 | 319 | 30 | 2 | 12-26 | 165 | 240 | 370 | 30 | 150 | 125 | 85 | 4 | 60 | 4-14 | 738 | 121 |
| 300 | 460 | 410 | 370 | 31 | 2 | 12-26 | 178 | 270 | 427 | 36 | 150 | 125 | 85 | 4 | 70 | 4-14 | 1151 | 159 |
| 350 | 520 | 470 | 429 | 34 | 2 | 16-26 | 190 | 310 | 450 | 40 | 150 | 125 | 85 | 4 | 80 | 4-14 | 1803 | 222 |
| 400 | 580 | 525 | 480 | 36 | 2 | 16-30 | 216 | 352 | 525 | 45 | 175 | 140 | 100 | 5 | 90 | 4-18 | 2487 | 237 |
| 450 | 640 | 585 | 548 | 40 | 2 | 20-30 | 222 | 360 | 543 | 45 | 175 | 140 | 100 | 6 | 90 | 4-18 | 3310 | 271 |
| 500 | 715 | 650 | 609 | 44 | 2 | 24-33 | 229 | 390 | 585 | 50 | 210 | 165 | 130 | 6 | 90 | 4-22 | 4282 | 300 |
| 600 | 840 | 770 | 720 | 48 | 2 | 24-36 | 267 | 450 | 643 | 60 | 300 | 254 | 200 | 6 | 90 | 8-18 | 6477 | 381 |
| 700 | 910 | 840 | 794 | 50 | 5 | 28-36 | 292 | 520 | 737 | 70 | 300 | 254 | 200 | 6 | 100 | 8-18 | 7636 | 651 |
| 800 | 1025 | 950 | 901 | 52 | 5 | 28-39 | 318 | 590 | 885 | 80 | 300 | 254 | 200 | 6 | 110 | 8-18 | 13423 | 792 |
| 900 | 1125 | 1050 | 1001 | 54 | 5 | 32-39 | 330 | 640 | 975 | 90 | 300 | 254 | 200 | 6 | 140 | 8-18 | 18292 | 1034 |
| 1000 | 1255 | 1170 | 1112 | 56 | 5 | 28-42 | 410 | 710 | 1130 | 100 | 350 | 298 | 230 | 6 | 160 | 8-22 | 25362 | 1334 |
| 1200 | 1485 | 1390 | 1328 | 58 | 5 | 32-48 | 470 | 835 | 1220 | 120 | 350 | 298 | 260 | 6 | 180 | 8-22 | 42725 | 1953 |
| 1400 | 1685 | 1590 | 1530 | 60 | 5 | 36-48 | 530 | 1000 | 1430 | 140 | 415 | 356 | 260 | 6 | 200 | 8-33 | 61190 | 2937 |
| 1600 | 1930 | 1820 | 1750 | 68 | 5 | 40-55 | 600 | 1080 | 1500 | 160 | 475 | 406 | 300 | 6 | 240 | 8-39 | 90848 | 4276 |
| Вид уплотнения | Диапазон температур |
Область применения | Свойства |
|---|---|---|---|
| NBR | от -20°С до +90°С | Углеводороды с 40% ароматических веществ, воздух, природный газ, вода, морская вода, гликоль, метан, бутан, нефть. |
Отличные механические свойства (стирание). Подходит для минеральных масел, определенных углеводородов, растворителей. |
| EPDM | от -40°С до +130°С | Вода, пар, морская вода, горячая вода, сжатый воздух, неорганические кислоты, абразивные субстанции, каустическая сода |
Хорошее уплотнение для средних температур, озон, животные и растительные жиры, спирт, морская вода, пар, каустическая сода. |
| VITON | от -20°С до +160°С | Растворители (кроме ацетона), кислоты, щелочи. |
Хорошая устойчивость к жаре и свету, для гидравлических жидкостей, горючих веществ, газов, углеводородов. |