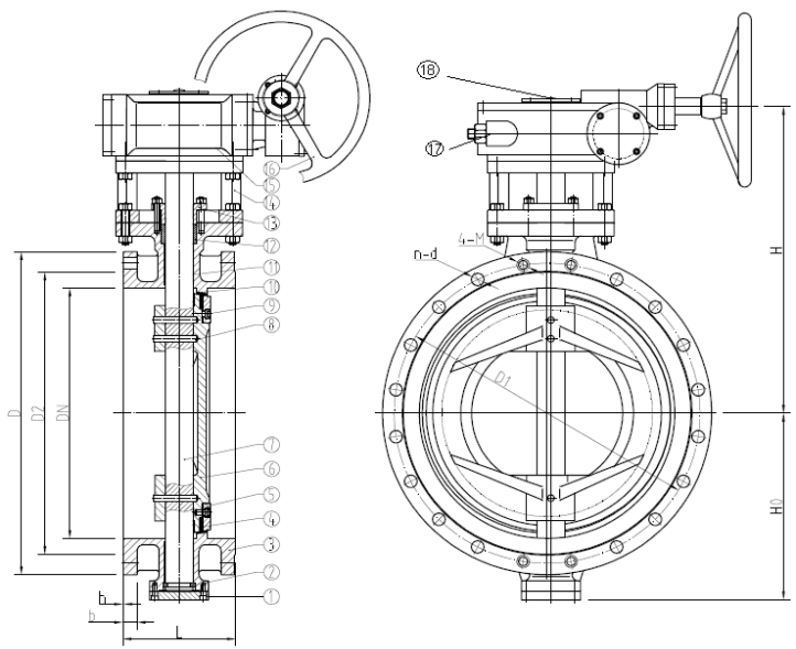
| DN | D | D1 | D2 | b | h | L | К-во отв. | d | Резьбовые отверстия | H | H0 | Вес, кг | N*m |
|---|---|---|---|---|---|---|---|---|---|---|---|---|---|
| 50 | 165 | 125 | 99 | 20 | 2 | 108 | 4 | 18 | 210 | 70 | 26 | ||
| 65 | 185 | 145 | 118 | 22 | 2 | 112 | 8 | 18 | 220 | 85 | 39 | ||
| 80 | 200 | 160 | 132 | 24 | 2 | 114 | 8 | 18 | 230 | 95 | 65 | ||
| 100 | 235 | 190 | 156 | 24 | 2 | 127 | 8 | 22 | 260 | 125 | 38 | 109 | |
| 125 | 270 | 220 | 184 | 26 | 2 | 140 | 8 | 26 | 300 | 160 | 45 | 167 | |
| 150 | 300 | 250 | 211 | 28 | 2 | 140 | 4 | 26 | 4-M24 | 330 | 150 | 48 | 288 |
| 200 | 360 | 310 | 274 | 30 | 2 | 152 | 8 | 26 | 4-М24 | 340 | 190 | 90 | 580 |
| 250 | 425 | 370 | 330 | 32 | 2 | 165 | 8 | 30 | 4-М27 | 395 | 220 | 114 | 995 |
| 300 | 485 | 430 | 389 | 34 | 2 | 178 | 12 | 30 | 4-М27 | 425 | 255 | 148 | 1563 |
| 350 | 555 | 490 | 448 | 38 | 2 | 190 | 12 | 33 | 4-М30 | 495 | 290 | 183 | 2395 |
| 400 | 620 | 550 | 503 | 40 | 2 | 216 | 16 | 36 | 4-М33/30 | 510 | 320 | 215 | 3328 |
| 450 | 670 | 600 | 548 | 46 | 2 | 222 | 16 | 36 | 4-М33 | 580 | 355 | 266 | 4459 |
| 500 | 730 | 660 | 609 | 48 | 2 | 229 | 16 | 36 | 4-М33 | 600 | 380 | 337 | 5804 |
| 600 | 845 | 770 | 720 | 58 | 2 | 267 | 16 | 39 | 4-М36 | 695 | 440 | 511 | 9203 |
| 700 | 960 | 875 | 820 | 50 | 5 | 292 | 20 | 42 | 4-М36 | 770 | 555 | 905 | 13657 |
| 800 | 1085 | 990 | 928 | 54 | 5 | 318 | 20 | 48 | 4-М42 | 830 | 605 | 1221 | 17974 |
| 900 | 1185 | 1090 | 1028 | 58 | 5 | 330 | 24 | 48 | 4-М42 | 960 | 645 | 1576 | 25689 |
| 1000 | 1320 | 1210 | 1140 | 62 | 5 | 410 | 24 | 56 | 4-М52 | 1030 | 720 | 2090 | 35736 |
| 1200 | 1530 | 1420 | 1350 | 70 | 5 | 470 | 28 | 56 | 4-М52 | 1200 | 830 | 2227 | 59861 |
| DN | D | D1 | D2 | b | h | L | К-во отв. | d | H | H0 | Вес, кг | N*m |
|---|---|---|---|---|---|---|---|---|---|---|---|---|
| 50 | 165 | 125 | 97 | 20 | 2 | 108 | 4 | 18 | 210 | 70 | 21 | |
| 65 | 185 | 145 | 118 | 20 | 2 | 112 | 4 | 18 | 220 | 85 | 31 | |
| 80 | 200 | 160 | 132 | 20 | 2 | 114 | 4 | 18 | 230 | 95 | 50 | |
| 100 | 220 | 180 | 156 | 22 | 2 | 127 | 8 | 18 | 260 | 125 | 36 | 85 |
| 125 | 250 | 210 | 184 | 22 | 2 | 140 | 8 | 18 | 300 | 160 | 42 | 129 |
| 150 | 285 | 240 | 211 | 24 | 2 | 140 | 8 | 22 | 330 | 180 | 45 | 217 |
| 200 | 340 | 295 | 266 | 24 | 2 | 152 | 12 | 22 | 340 | 220 | 87 | 434 |
| 250 | 405 | 355 | 319 | 26 | 2 | 165 | 12 | 26 | 395 | 250 | 112 | 738 |
| 300 | 460 | 410 | 370 | 28 | 2 | 178 | 12 | 26 | 425 | 290 | 145 | 1151 |
| 350 | 520 | 470 | 429 | 30 | 2 | 190 | 16 | 26 | 495 | 330 | 180 | 1803 |
| 400 | 580 | 525 | 480 | 32 | 2 | 216 | 16 | 30 | 510 | 360 | 210 | 2487 |
| 450 | 640 | 585 | 548 | 40 | 2 | 222 | 20 | 30 | 580 | 400 | 260 | 3310 |
| 500 | 715 | 650 | 609 | 44 | 2 | 229 | 20 | 33 | 600 | 420 | 330 | 4282 |
| 600 | 840 | 770 | 720 | 54 | 2 | 267 | 20 | 36 | 695 | 485 | 500 | 6477 |
| 700 | 910 | 840 | 794 | 40 | 5 | 292 | 24 | 36 | 770 | 540 | 880 | 7636 |
| 800 | 1025 | 950 | 901 | 42 | 5 | 318 | 24 | 39 | 830 | 590 | 1180 | 13423 |
| 900 | 1125 | 1050 | 1001 | 44 | 5 | 330 | 28 | 39 | 960 | 660 | 1545 | 18292 |
| 1000 | 1255 | 1170 | 1112 | 46 | 5 | 410 | 28 | 42 | 1030 | 740 | 2040 | 25362 |
| 1200 | 1485 | 1390 | 1328 | 52 | 5 | 470 | 32 | 48 | 1200 | 880 | 2150 | 42725 |
| DN | D | D1 | D2 | b | h | L | К-во отв. | d | H | H0 | Вес, кг | N*m |
|---|---|---|---|---|---|---|---|---|---|---|---|---|
| 50 | 165 | 125 | 99 | 20 | 2 | 108 | 4 | 18 | 210 | 70 | 17 | |
| 65 | 185 | 145 | 118 | 20 | 2 | 112 | 4 | 18 | 220 | 85 | 25 | |
| 80 | 200 | 160 | 132 | 20 | 2 | 114 | 8 | 18 | 230 | 95 | 41 | |
| 100 | 220 | 180 | 156 | 20 | 2 | 127 | 8 | 18 | 260 | 125 | 36 | 69 |
| 125 | 250 | 210 | 184 | 22 | 2 | 140 | 8 | 18 | 300 | 160 | 42 | 103 |
| 150 | 285 | 240 | 211 | 24 | 2 | 140 | 8 | 22 | 330 | 180 | 45 | 177 |
| 200 | 340 | 295 | 266 | 24 | 2 | 152 | 8 | 22 | 340 | 220 | 87 | 351 |
| 250 | 395 | 350 | 319 | 26 | 2 | 165 | 12 | 22 | 395 | 250 | 110 | 593 |
| 300 | 445 | 400 | 370 | 26 | 2 | 178 | 12 | 22 | 425 | 290 | 144 | 908 |
| 350 | 505 | 460 | 429 | 26 | 2 | 190 | 16 | 22 | 495 | 330 | 178 | 1443 |
| 400 | 565 | 515 | 480 | 26 | 2 | 216 | 16 | 26 | 510 | 360 | 207 | 1971 |
| 450 | 615 | 565 | 530 | 28 | 2 | 222 | 20 | 26 | 580 | 400 | 255 | 2519 |
| 500 | 670 | 620 | 582 | 28 | 2 | 229 | 20 | 26 | 600 | 420 | 325 | 3236 |
| 600 | 780 | 725 | 682 | 34 | 2 | 267 | 20 | 30 | 695 | 485 | 492 | 5011 |
| 700 | 895 | 840 | 794 | 34 | 5 | 292 | 24 | 30 | 770 | 540 | 870 | 7081 |
| 800 | 1015 | 950 | 901 | 36 | 5 | 318 | 24 | 33 | 830 | 590 | 1171 | 9858 |
| 900 | 1115 | 1050 | 1001 | 38 | 5 | 330 | 28 | 33 | 960 | 660 | 1535 | 13590 |
| 1000 | 1230 | 1160 | 1112 | 38 | 5 | 410 | 28 | 36 | 1030 | 740 | 2015 | 17973 |
| 1200 | 1455 | 1380 | 1328 | 44 | 5 | 470 | 32 | 39 | 1200 | 880 | 2145 | 29842 |

| DN | d1 | d2 | d3 | d4 | N-d0 | h1 | h | e | E | F | ISO 5210 |
|---|---|---|---|---|---|---|---|---|---|---|---|
| 50 | 90 | 70 | 55 | 18 | 4-10 | 3 | 35 | 6 | 20.5 | F07 | |
| 65 | 90 | 70 | 55 | 18 | 4-10 | 3 | 35 | 6 | 20.5 | F07 | |
| 80 | 90 | 70 | 55 | 18 | 4-10 | 3 | 40 | 6 | 20.5 | F07 | |
| 100 | 90 | 70 | 55 | 18 | 4-10 | 3 | 40 | 6 | 20.5 | F07 | |
| 125 | 125 | 102 | 70 | 25 | 4-12 | 3 | 50 | 8 | 28 | F10 | |
| 150 | 125 | 102 | 70 | 25 | 4-12 | 3 | 50 | 8 | 28 | F10 | |
| 200 | 150 | 125 | 85 | 35 | 4-14 | 3 | 70 | 10 | 38 | F12 | |
| 250 | 150 | 125 | 85 | 35 | 4-14 | 3 | 70 | 10 | 38 | F12 | |
| 300 | 150 | 125 | 85 | 35 | 4-14 | 3 | 70 | 10 | 38 | F12 | |
| 350 | 175 | 140 | 100 | 45 | 4-18 | 4 | 80 | 14 | 48.5 | F14 | |
| 400 | 210 | 165 | 130 | 50 | 4-22 | 5 | 100 | 14 | 53.5 | F16 | |
| 450 | 210 | 165 | 130 | 50 | 4-22 | 5 | 100 | 14 | 53.5 | F16 | |
| 500 | 210 | 165 | 130 | 50 | 4-22 | 5 | 100 | 14 | 53.5 | F16 | |
| 600 | 300 | 254 | 200 | 60 | 8-18 | 5 | 120 | 18 | 68 | F25 | |
| 700 | 300 | 254 | 200 | 75 | 8-18 | 5 | 135 | 20 | 84 | F25 | |
| 800 | 300 | 254 | 200 | 75 | 8-18 | 5 | 135 | 20 | 84 | F25 | |
| 900 | 350 | 298 | 230 | 90 | 8-22 | 5 | 170 | 25 | 100 | F30 | |
| 1000 | 350 | 298 | 230 | 100 | 8-22 | 5 | 170 | 28 | 112 | F30 | |
| 1200 | 415 | 356 | 260 | 120 | 8-33 | 5 | 190 | 32 | 134 | F35 |

| DN | d1 | d2 | d3 | d4 | N-d0 | h1 | h | e | E | F | ISO 5210 |
|---|---|---|---|---|---|---|---|---|---|---|---|
| 50 | 90 | 70 | 55 | 18 | 4-10 | 3 | 35 | 6 | 20.5 | F07 | |
| 65 | 90 | 70 | 55 | 18 | 4-10 | 3 | 35 | 6 | 20.5 | F07 | |
| 80 | 90 | 70 | 55 | 18 | 4-10 | 3 | 40 | 6 | 20.5 | F07 | |
| 100 | 90 | 70 | 55 | 18 | 4-10 | 3 | 40 | 6 | 20.5 | F07 | |
| 125 | 125 | 102 | 70 | 25 | 4-12 | 3 | 50 | 8 | 28 | F10 | |
| 150 | 125 | 102 | 70 | 25 | 4-12 | 3 | 50 | 8 | 28 | F10 | |
| 200 | 150 | 125 | 85 | 35 | 4-14 | 3 | 70 | 10 | 38 | F12 | |
| 250 | 150 | 125 | 85 | 35 | 4-14 | 3 | 70 | 10 | 38 | F12 | |
| 300 | 175 | 140 | 100 | 45 | 4-18 | 4 | 80 | 14 /td> | 48.5 | td>F14 | |
| 350 | 210 | 165 | 130 | 50 | 4-22 | 5 | 100 | 14 | 53.5 | F16 | |
| 400 | 210 | 165 | 130 | 50 | 4-22 | 5 | 100 | 14 | 53.5 | F16 | |
| 450 | 210 | 165 | 130 | 50 | 4-22 | 5 | 100 | 14 | 53.5 | F16 | |
| 500 | 300 | 254 | 200 | 60 | 8-18 | 5 | 120 | 18 | 68 | F25 | |
| 600 | 300 | 254 | 200 | 75 | 8-18 | 5 | 135 | 20 | 84 | F25 | |
| 700 | 300 | 254 | 200 | 75 | 8-18 | 5 | 135 | 20 | 84 | F25 | |
| 800 | 350 | 298 | 230 | 90 | 8-22 | 5 | 170 | 25 | 100 | F30 | |
| 900 | 350 | 298 | 230 | 90 | 8-22 | 5 | 170 | 25 | 100 | F30 | |
| 1000 | 350 | 298 | 230 | 100 | 8-22 | 5 | 170 | 28 | 112 | F30 | |
| 1200 | 415 | 356 | 260 | 120 | 8-33 | 5 | 190 | 32 | 134 | F35 |
| Вид уплотнения | Диапазон температур |
Область применения | Свойства |
|---|---|---|---|
| NBR | от -20°С до +90°С | Углеводороды с 40% ароматических веществ, воздух, природный газ, вода, морская вода, гликоль, метан, бутан, нефть. |
Отличные механические свойства (стирание). Подходит для минеральных масел, определенных углеводородов, растворителей. |
| EPDM | от -40°С до +130°С | Вода, пар, морская вода, горячая вода, сжатый воздух, неорганические кислоты, абразивные субстанции, каустическая сода |
Хорошее уплотнение для средних температур, озон, животные и растительные жиры, спирт, морская вода, пар, каустическая сода. |
| VITON | от -20°С до +160°С | Растворители (кроме ацетона), кислоты, щелочи. |
Хорошая устойчивость к жаре и свету, для гидравлических жидкостей, горючих веществ, газов, углеводородов. |