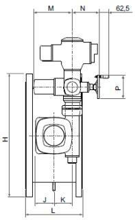
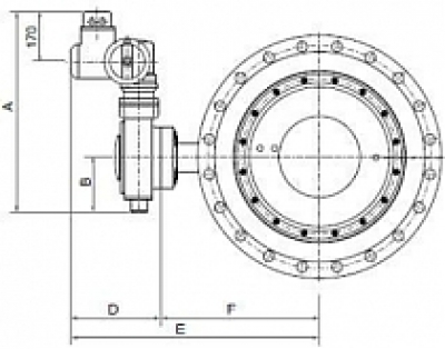
* Вес без ручного колеса управления
| DN | A | B | D | E | F | H | J | K | L | M | N | P | Bec кг* |
|---|---|---|---|---|---|---|---|---|---|---|---|---|---|
| 200 | 444 | 96 | 277 | 536 | 259 | 233 | 63 | 50 | 233 | 265 | 186 | 140 | 88 |
| 250 | 500 | 127 | 282 | 580 | 298 | 284 | 75 | 63 | 385 | 265 | 186 | 160 | 109 |
| 300 | 510 | 132 | 284 | 607 | 323 | 334 | 88 | 80 | 435 | 265 | 186 | 160 | 135 |
| 350 | 689 | 182 | 312 | 665 | 353 | 389 | 105 | 100 | 465 | 265 | 186 | 160 | 193 |
| 400 | 689 | 182 | 312 | 721 | 409 | 440 | 105 | 100 | 540 | 265 | 186 | 160 | 229 |
| 450 | 689 | 182 | 312 | 757 | 445 | 490 | 105 | 100 | 590 | 265 | 186 | 160 | 286 |
| 500 | 689 | 187 | 312 | 782 | 470 | 540 | 125 | 125 | 660 | 265 | 186 | 160 | 359 |
| 600 | 689 | 187 | 312 | 860 | 548 | 638 | 125 | 125 | 760 | 265 | 186 | 160 | 538 |
| 700 | 990 | 337 | 313 | 914 | 601 | 738 | 173 | 160 | 860 | 265 | 186 | 160 | 679 |
| 800 | 1131 | 398 | 338 | 989 | 651 | 835 | 215 | 200 | 955 | 265 | 186 | 160 | 888 |
| 900 | 1131 | 398 | 338 | 1056 | 718 | 946 | 215 | 200 | 1070 | 265 | 186 | 160 | 1374 |
| 1000 | 1131 | 398 | 338 | 1145 | 764 | 1060 | 268 | 250 | 1200 | 265 | 186 | 160 | 1640 |
| 1200 | 1303 | 486 | 381 | 1254 | 873 | 1279 | 268 | 250 | 1440 | 282 | 193 | 200 | 2650 |