Шаровые краны КМС K1-1-R-500-PN25-000-G-E-2 редуцированные, стандартный проход, с редуктором в основном применяются, как запорное оборудование на емкостях с жидкостями, трубопроводах и остальной технике на промышленных и газосборных пунктах, заводах перерабатывающих газ, на подземных газовых хранилищах, линейных частях магистральных газопроводов, технических обвязках газоизмерительных, газораспределительных, дожимных и компрессорных станций, зависимо от задействованных материалов. Идеально подходят к системам двухсторонней подачи транспортируемой жидкости.
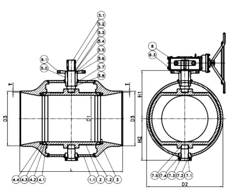
| Ду, мм | Маркировка (для теплоснабжения)* | Вес, кг | D1 | D2 | D3 | T | L | H | S |
|---|---|---|---|---|---|---|---|---|---|
| 200 | K1-1-R-200-PN25-000-G-E-2 | 50,9 | 150 | 267,4 | 219 | 5 | 400 | 239 | 465 |
| 250 | K1-1-R-250-PN25-000-G-E-2 | 99 | 200 | 355,6 | 273 | 5 | 560 | 302 | 580 |
| 300 | K1-1-R-300-PN25-000-G-E-2 | 181 | 250 | 457,2 | 325 | 6 | 635 | 416 | 671 |
| 350 | К1-1-R-350-PN25-000-G-E-2 | 290 | 300 | 508 | 377 | 6 | 650 | 426 | 299 |
| 400 | К1-1-R-400-PN25-000-G-E-2 | 408 | 337 | 558,8 | 426 | 6 | 760 | 417 | 308,5 |
| 500 | К1-1-R-500-PN25-000-G-E-2 | 697 | 387 | 660 | 530 | 7 | 910 | 469,5 | 361 |
| 600 | К1-1-R-600-PN25-000-G-E-2 | 1242 | 489 | 812,8 | 630 | 8 | 1065 | 580 | 441 |
| 700 | К1-1-R-700-PN25-000-G-E-2 | 1995 | 591 | 1016 | 720 | 8 | 1346 | 697,5 | 556 |
| 800 | К1-1-R-800-PN25-000-G-E-2 | 3147 | 686 | 1130 | 820 | 8 | 1524 | 715 | 619,5 |
| 900 | К1-1-R-900-PN25-000-G-E-2 | 3873 | 781 | 1237 | 920 | 9 | 1727 | 820 | 672 |
| 1000 | К1-1-R-1000-PN25-000-G-E-2 | 5420 | 874 | 1415 | 1020 | 10 | 1950 | 955 | 772 |
| 1200 | M-1-R-1200-PN25-000-G-E-2 | 8530 | 976 | 1630 | 1220 | 12 | 2250 | 1106 | 900 |
| 1400 | M-1-R-1400-PN25-000-G-E-2 | 13700 | 1166 | 1939 | 1420 | 14 | 2400 | 1269 | 1054 |
