Краны шаровые стальные Vexve серия 104/GS сварка/сварка приварные концы по ГОСТу

0 ОТЗЫВ-Ы / ДОБАВИТЬ ОТЗЫВ

Цена по запросу

Краны стальные шаровые под приварку с приварными концами по ГОСТу Vexve серии 104/GS выпускаются с Ду от 100 до 600 мм с механическим редуктором с червячной передачей и рассчитаны на давление Ру 25.

Технические характеристики

  • Приводной механизм: механический редуктор с червячной передачей.
  • Корпус: углеродистая сталь, EN 10217-2 P235GH (1.0345).
  • Втулка штока: сталь
  • Шар: нержавеющая сталь, EN X5CrNi18-10 (1.4301).
  • Шток: нержавеющая сталь, EN X8CrNiS18-9 (1.4305).
  • Уплотнение шара: углепластик PTFE.
  • Патрубки: сталь, EN 10217-2 P235GH (1.0345).
  • Ручка: оцинкованная сталь с пластиковым покрытием.
  • Уплотнительные кольца: FPM.
  • Уплотнительная втулка: PTFE.
  • Температура: от -30°C до +200°C.
Vexve краны стальные серия 104/GS

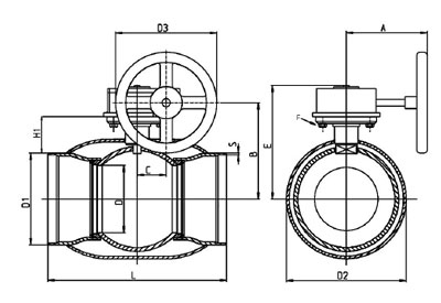
Размеры

Vexve краны стальные серия 104/GS
DN PN Код D D1 D2 D3 S H1 A L B C E Верхний фланец Kv Kr
100 25 104 100/G S 80 108 168,3 125 3,6 111 178 325 199 53 240 F07 470 10,3
125 25 104 125/G S 100 133 177,8 200 4,0 111 223 325 212 53 253 F10 830 17,4
150 25 104 150/G S 125 159 219,1 200 4,5 119 223 350 232 53 273 F10 1150 22
200 25 104 200/G S 150 219 273,0 250 4,5 92 268 400 244 69 292 F12 1750 44
250 25 104 250/GS 200 273 355,6 300 5,0 108 299 530 295 97 345 F14 3200 87
300 25 104 300/GS 250 325 457,0 600 5,6 131 417 550 348 138 422 F16 4600 142
350 25 104 350/GS 290 377 508,0 600 5,6 181 417 686 424 138 498 F16 9600 206
400 25 104 400/G S 340 426 610,0 500 7,0 232 444 762 500 138 573 F25 13300 293
500 25 104 500/G S 390 530 660,0 500 7,0 248 475 914 577 180 648 F30 18700 484
600 25 104 600/G S 489 630 813,0 500 11,0 265 475 1065 644 180 715 F30 45000 1050
Отзыв
Оставить отзыв
Имя
E-mail
Текст комментария
Оценка для товара
Copyright MAXXmarketing Webdesigner GmbH