Шаровые краны для газа Vexve серии 114 с приварным присоединением рассчитаны на давление Ру 40. Выпускаются с Ду от 100 до 600 мм и рассчитаны на давление Ру 40 Нм. Краны серии 114 укомплектованы редуктором с червячной передачем. Также могут быть укомплектованы электроприводами ZPA Pecky и Auma.
Цены на краны для газа Vexve 114
| DN |
PN |
Цена без НДС |
| 100 |
25 |
21 623 руб |
| 150 |
25 |
28 110 руб |
| 125 |
25 |
36 095 руб |
| 200 |
25 |
61 488 руб |
| 250 |
25 |
109 392 руб |
| 300 |
25 |
238 801 руб |
| 350 |
25 |
354 735 руб |
| 400 |
25 |
573 520 руб |
| 500 |
25 |
1 027 336 руб |
| 600 |
25 |
2 143 272 руб |
Технические характеристики
- Приводной механизм: механический редуктор с червячной передачей.
- Корпус: углеродистая сталь, EN 10217-2 P235GH (1.0345).
- Шар: нержавеющая сталь, EN X5CrNi18-10 (1.4301).
- Шток: нержавеющая сталь, EN X8CrNiS18-9 (1.4305).
- Уплотнение шара: углепластик PTFE.
- Уплотнение штока: NBR.
- Температура: от -40°C до 70°C.
Ручки
- DN 10-150: оцинкованная сталь.
- DN 200-250: окрашенная углеродистая сталь.
- DN 300: поставляется только с механическим редуктором.
- DN 150-300: рекомендуется механический редуктор с червячной передачей.
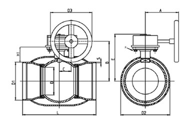
Размеры
| DN |
PN |
Код |
D |
D1 |
D2 |
D3 |
S |
H1 |
A |
L |
B |
C |
E |
Верхний фланец |
Kv |
кг |
| 100 |
25 |
114100 |
80 |
114, 3 |
168,3 |
125 |
3,6 |
108 |
178 |
325 |
199 |
53 |
240 |
- |
470 |
10,3 |
| 125 |
25 |
114125 |
100 |
139,7 |
177,8 |
200 |
4,0 |
108 |
223 |
325 |
212 |
53 |
253 |
- |
830 |
17,4 |
| 150 |
25 |
114150 |
125 |
168, 3 |
219,1 |
200 |
4,5 |
114 |
223 |
350 |
232 |
53 |
273 |
- |
1150 |
22 |
| 200 |
25 |
114200 |
150 |
219,1 |
273,0 |
250 |
4,5 |
92 |
268 |
400 |
244 |
69 |
292 |
- |
1750 |
44 |
| 250 |
25 |
114250 |
200 |
273,0 |
355,6 |
300 |
5,0 |
108 |
299 |
530 |
295 |
97 |
345 |
- |
3200 |
87 |
| 300 |
25 |
114300 |
250 |
323,9 |
457,0 |
600 |
5,6 |
132 |
417 |
550 |
348 |
138 |
422 |
- |
4600 |
142 |
| 350 |
25 |
114350 |
290 |
355,6 |
508,0 |
600 |
5,6 |
192 |
417 |
686 |
424 |
138 |
498 |
F 16 |
9600 |
206 |
| 400 |
25 |
114400 |
340 |
406,4 |
610,0 |
500 |
7,0 |
242 |
444 |
762 |
500 |
138 |
573 |
F 25 |
13300 |
293 |
| 500 |
25 |
114500 |
390 |
508,0 |
660,0 |
500 |
7,0 |
259 |
475 |
914 |
577 |
180 |
648 |
F 30 |
18700 |
484 |
| 600 |
25 |
114600 |
489 |
610,0 |
813,0 |
500 |
7,1 |
275 |
475 |
1065 |
644 |
180 |
715 |
F 30 |
45000 |
1150 |