Фильтры сетчатые

Фильтры сетчатые

0 ОТЗЫВ-Ы / ДОБАВИТЬ ОТЗЫВ

Фильтры сетчатые предназначены для улавливания стойких механических примесей, холодной и горячей воде и других неагрессивных жидкостях, в том числе ферромагнитных, а также омагничивания воды с целью умягчения и снижения интенсивности накипеобразования в трубопроводах при установке магнитных вставок.

Цены на фильтры сетчатые

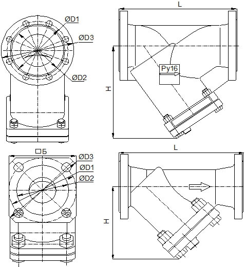
Типоразмер ДУ условного
прохода, мм
Строительнаям
длина L, мм
Вылет
улавливающей
камеры Н, мм
Масса, кг Цена с НДС
ФСМч-50 50 230 140 10,5 2 342 руб.
ФСМч-65 65 290 160 12,4 3 047 руб.
ФСМч-80 80 310 180 18,5 3 685 руб.
ФСМч-100 100 350 275 36 5 036 руб.
ФСч-50 50 230 140 10,5 1 991 руб.
ФСч-65 65 290 160 12,4 2 594 руб.
ФСч-80 80 310 180 18,5 3 131 руб.
ФСч-100 100 350 275 36 4 288 руб.

Рабочая среда

Вода и другие жидкости неагрессивные к материалам проточной части. Условное давление РN=1,6 МПа (16кгс/см2). Температура фильтруемой среды до 150°С.

Гарантийный срок эксплуатации 24 месяца.

Установочное положение

Направление потока – по стрелке, улавливающей камерой вниз.

Конструкция

Корпус: чугун СЧ;
Фильтрующий элемент: Сетка из нержавеющей стали по ГОСТ5632-81 с ячейкой 1,4*1,4 мм2. (По заказу потребителя фильтр может быть изготовлен с необходимы параметрами фильтрующей сетки по ГОСТ 3826).
Присоединительные размеры фланцев для фильтров с фланцевым присоединением по ГОСТ 12815-80 на РN16 кгс/см2.

Технические характеристики

Условный проход, Dу, мм Размеры, мм
D1 D2 D3 n L Б Н
ФСч-50 и ФСМч-50 125 102 160 4 230 125 140
ФСч-65 и ФСМч-65 145 122 185 290 140 160
ФСч-80 и ФСМч-80 160 138 195 310 148 179
ФСч-100 и ФСМч-100 180 158 215 8 350 - 220
Фильтры сетчатые - схема
Отзыв
Оставить отзыв
Имя
E-mail
Текст комментария
Оценка для товара
Copyright MAXXmarketing Webdesigner GmbH