Фланцевые заглушки АТК 24.200.02-90

Фланцевые заглушки АТК 24.200.02-90

0 ОТЗЫВ-Ы / ДОБАВИТЬ ОТЗЫВ

Заглушки АТК 24.200.02-90 применяются в химической, нефтеперерабатывающей, нефтехимической, газовой, нефтяной и других смежных отраслях промышленности.

Цена на заглушки АТК 24.200.02-90

Ду Цена в руб. с НДС за 1 шт.
ст20 ст12Х18Н10Т
Ру 10 Ру 16 Ру 25 Ру 40 Ру 6 Ру 10 Ру 16 Ру 40
Ду 15 90 руб. 90 руб. - - 242 руб. - - 374 руб.
Ду 20 115 руб. 115 руб. - - 308 руб. - - 495 руб.
Ду 25 105 руб. 105 руб. - - 368 руб. - - 616 руб.
Ду 32 170 руб. 170 руб. - - 616 руб. - - 990 руб.
Ду 40 195 руб. 195 руб. - - 676 руб. - - 1 111 руб.
Ду 50 230 руб. 230 руб. - - 797 руб. - - 1 364 руб.
Ду 65 285 руб. 285 руб. - - 1 051 руб. - 1 540 руб. -
Ду 80 325 руб. 333 руб. - - 1 419 руб. - 1 847 руб. -
Ду 100 395 руб. 395 руб. - - 1 727 руб. - 2 216 руб. -
Ду 125 520 руб. 550 руб. 795 руб. 795 руб. 2 711 руб. - 2 946 руб. -
Ду 150 730 руб. 730 руб. 1 100 руб. 1 200 руб. 3 387 руб. - 4 371 руб. -
Ду 200 1 149 руб. 1 110 руб. - - 5 114 руб. 5 663 руб. 6 400 руб. -
Ду 250 1 800 руб. 2 300 руб. - - 7 142 руб. 8 869 руб. 11 701 руб. -
Ду 300 2 700 руб. 3 800 руб. - - 10 717 руб. 12 377 руб. 16 253 руб. -
Ду 350 3 650 руб. 4 470 руб. - - - 18 040 руб. - -
Ду 400 5 800 руб. 7 565 руб. - - - 25 249 руб. - -
Ду 500 8 800 руб. 12 500 руб. - - - 39 413 руб. - -
Ду 600 14 500 руб. 18 500 руб. - - - 61 335 руб. - -
Ду 800 - - - - - - - -

Стандарты и нормативы

Размеры и технические требования фланцевых заглушек регламентируется российским нормативно-техническим документом АТК 24.200.02-90.

Давление 0,6–16 МПа (6–160 кгс/см2).

Диапазон рабочих температур от –70 до +600°С.

Фланцевые заглушки изготавливаются с уплотнительными поверхностями исполнений 1, 2, 3, 4 и 5.

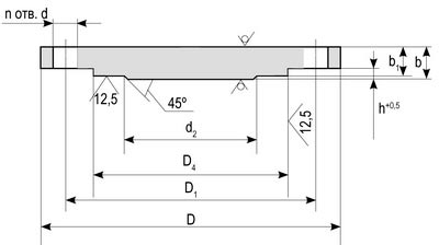
Исполнение 1:заглушки с соединительным выступом на условное давление 1,0–4,0 МПа (10–40 кгс/см2).

Заглушки АТК 24.200.02-90 исполнение 1
  • D — внешний диаметр заглушки;
  • D1 — межосевое расстояние крепежных отверстий;
  • D2 — диаметр прижимной поверхности;
  • d2 — диаметр центровочной поверхности;
  • b — общая толщина заглушки;
  • b1 — толщина заглушки без центровочной поверхности;
  • h — высота прижимной поверхности;
  • n отв. d — количество и диаметр крепежных отверстий

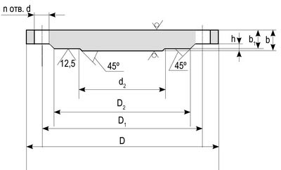
Исполнение 2:заглушки с выступом на условное давление 1,0–6,3 МПа (10–63 кгс/см2).

Заглушки АТК 24.200.02-90 исполнение 2
  • D — внешний диаметр заглушки;
  • D1 — межосевое расстояние крепежных отверстий;
  • D4 — диаметр прижимной центровочной поверхности;
  • b — общая толщина заглушки;
  • b1 — толщина заглушки без центровочной поверхности;
  • h — высота прижимной поверхности;
  • n отв. d — количество и диаметр крепежных отверстий

Исполнение 3:заглушки с шипом на условное давление 0,6–6,3 МПа (6–63 кгс/см2), кроме размеров уплотнительных поверхностей под фторопластовые прокладки.

Заглушки АТК 24.200.02-90 исполнение 3
  • D — внешний диаметр заглушки;
  • D1 — межосевое расстояние крепежных отверстий;
  • D3 — внутренний диаметр шипа;
  • D4 — внешний диаметр шипа;
  • d2 — диаметр центровочной поверхности;
  • b — общая толщина заглушки;
  • b1 — толщина заглушки без центровочной поверхности;
  • h — высота прижимной поверхности;
  • n отв. d — количество и диаметр крепежных отверстий

Исполнение 4:заглушки под прокладку овального сечения на условное давление 6,3–16,0 МПа (63–160 кгс/см2).

Заглушки АТК 24.200.02-90 исполнение 4
  • D — внешний диаметр заглушки;
  • D1 — межосевое расстояние крепежных отверстий;
  • D2 — диаметр прижимной поверхности;
  • D8 — диаметр проточки под прокладку овального сечения;
  • d2 — диаметр центровочной поверхности;
  • b — общая толщина заглушки;
  • b1 — толщина заглушки без центровочной поверхности;
  • h — высота прижимной поверхности;
  • n отв. d — количество и диаметр крепежных отверстий

Исполнение 5:заглушки с впадиной на условное давление 4,0 МПа (40 кгс/см2).

Заглушки АТК 24.200.02-90 исполнение 5
  • D — внешний диаметр заглушки;
  • D1 — межосевое расстояние крепежных отверстий;
  • D2 — диаметр прижимной поверхности;
  • D6 — внутренний диаметр впадины;
  • d2 — диаметр центровочной поверхности;
  • b — общая толщина заглушки;
  • b1 — толщина заглушки (без центровочной поверхности);
  • h — высота прижимной поверхности;
  • n отв. d — количество и диаметр крепежных отверстий

Материалы

Компания «ПК Энергоконтроль» использует различные марки стали, что позволяет придать заглушке необходимые физико-механические свойства для применения в различных рабочих средах и на различных трубопроводах.

Мы применяем следующие марки стали:

  • Ст3сп не ниже 2-й категории по ГОСТ 380-94;
  • 20, 25 по ГОСТ 1050-88;
  • 09Г2С по ГОСТ 19281-89;
  • 10Г2 по ГОСТ 4543-71;
  • 15Х5М по ГОСТ 4543-71;
  • 12Х18Н10Т по ГОСТ 5632-72;
  • 15Х18Н12С4ТЮ (типа ЭИ-654) по ГОСТ 5632-72;
  • 06ХН28МДТ (типа ЭИ-945) по ГОСТ 5632-72;
  • 10Х17Н13М3Т (типа ЭИ-432) по ГОСТ 5632-72;
  • 13ХФА по ГОСТ 4543-71.
Отзыв
Оставить отзыв
Имя
E-mail
Текст комментария
Оценка для товара
Copyright MAXXmarketing Webdesigner GmbH