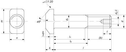
| Параметры болта* |
Номинальный диаметр d | |||||||||||||||
|---|---|---|---|---|---|---|---|---|---|---|---|---|---|---|---|---|
| М8 | М10 | М12 | М16 | М20 | М24 | М30 | М36 | М42 | М48 | М56 | М64 | М72х6 | М80х6 | М90х6 | М100х6 | |
| Шаг резьбы, P | 1,25 | 1,5 | 1,75 | 2 | 2,5 | 3 | 3,5 | 4 | 4,5 | 5 | 5,5 | 6 | 6 | 6 | 6 | 6 |
| Высота резьбовой части, b, не менее |
22 | 26 | 30 | 38 | 46 | 54 | 66 | 78 | 90 | 108 | 124 | 130 | 169 | 185 | 205 | 225 |
| Глубина паза, t, не менее |
- | - | - | - | - | - | - | 22 | 22 | 22 | 26 | 26 | 26 | 33 | 33 | 33 |
| Высота головки, k | 5,5 | 7 | 8 | 10,5 | 13 | 15 | 19 | 23 | 26 | 30 | 35 | 40 | 45 | 50 | 55 | 62 |
| Диаметр окружности, вписанной в головку болта n |
8 | 10 | 12 | 16 | 20 | 24 | 30 | 36 | 42 | 48 | 56 | 64 | 72 | 80 | 90 | 100 |
| Ширина головки, m |
18 | 21 | 26 | 30 | 36 | 43 | 54 | 66 | 80 | 88 | 102 | 115 | 128 | 140 | 155 | 170 |
| Высота болта, l, миним. |
30 | 30 | 45 | 50 | 60 | 70 | 90 | 100 | 120 | 140 | 160 | 170 | 200 | 240 | 260 | 300 |
| Высота болта, l, макс. |
80 | 100 | 120 | 160 | 200 | 200 | 200 | 200 | 400 | 400 | 400 | 400 | 400 | 400 | 400 | 400 |
*Все параметры в таблице указаны в мм.