| Стандарт | Наименование | Примечание |
|---|---|---|
| DIN 561 | Болт с шестигранной уменьшенной головкой и цапфой | Основное отличие в форме нижней части тела болта. В стандарте DIN 561 конец имеет цилиндрическую форму, когда как в DIN 564 форму конуса. |
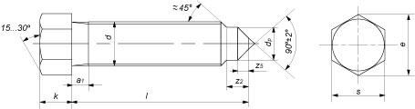
| Параметры болта* | Номинальный диаметр резьбы d | |||||||||
|---|---|---|---|---|---|---|---|---|---|---|
| M6 | M8 | M10 | M12 | M16 | М20 | М24 | М30 | M36 | ||
| Шаг резьбы, P | крупный | 1 | 1,25 | 1,5 | 1,75 | 2 | 2,5 | 3 | 3,5 | 4 |
| мелкий | - | - | - | - | - | 2 | 2 | 2 | 3 | |
| Высота головки, k | 5 | 6 | 7 | 9 | 11 | 14 | 17 | 21 | 25 | |
| a1, не более | 3 | 3,75 | 4,5 | 5,25 | 6 | 7,5 | 9 | 10,5 | 12 | |
| r, минимум | 0,25 | 0,4 | 0,4 | 0,6 | 0,6 | 0,8 | 0,8 | 1 | 1 | |
| z2, не менее | 3 | 4 | 5 | 6 | 8 | 10 | 12 | 15 | 18 | |
| z5 | 1,75 | 2,5 | 3 | 3,5 | 4,5 | 5 | 6 | 8 | 10 | |
| dp, не более | 4 | 5,5 | 7 | 8,5 | 12 | 15 | 18 | 23 | 28 | |
| Диаметр описанной окружности e, не менее | 8,79 | 11,05 | 14,38 | 17,77 | 19,92 | 26,75 | 33,53 | 39,98 | 51,28 | |
| Размер под ключ, S | 8 | 10 | 13 | 16 | 18 | 24 | 30 | 36 | 46 | |
| Длина болта, l | Мин. | 12 | 16 | 20 | 25 | 30 | 40 | 45 | 60 | 80 |
| Макс. | 30 | 40 | 50 | 70 | 90 | 100 | 120 | 160 | 200 |
*Все параметры в таблице указаны в мм.