Рым-болт DIN 580 используется при поднятии тяжелых деталей и узлов машин. Рым-болт вместо головки имеет кольцо, предназначенное для захвата деталей и агрегатов при их сборке/разборке и транспортировке.
Аналоги ГОСТ: ГОСТ 4751-73.
| Стандарт | Наименование | Примечание |
|---|---|---|
| ISO 3266 | Рым-болт | Практически идентичны. |
| DIN 582 | Рым-гайка | Используется в тех же целях, что и DIN 580. Основное отличие в параметрах изделия. |
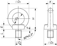
| Параметры болта | Номинальный диаметр резьбы D1 | ||||||||||||||
|---|---|---|---|---|---|---|---|---|---|---|---|---|---|---|---|
| M8 | M10 | M12 | M16 | М20 | М24 | М30 | M36 | М42 | М48 | М56 | М64 | М72 | М80 | М100 | |
| Шаг резьбы, P | 1,25 | 1,5 | 1,75 | 2 | 2,5 | 3 | 3,5 | 4 | 4,5 | 5 | 5,5 | 6 | 6 | 6 | 6 |
| D2 | 20 | 25 | 30 | 35 | 40 | 50 | 65 | 75 | 85 | 100 | 110 | 120 | 150 | 170 | 190 |
| D3 | 36 | 45 | 54 | 63 | 72 | 90 | 108 | 126 | 144 | 166 | 184 | 206 | 260 | 296 | 330 |
| D4 | 20 | 25 | 30 | 35 | 40 | 50 | 60 | 70 | 80 | 90 | 100 | 110 | 140 | 160 | 180 |
| E | 6 | 8 | 10 | 12 | 14 | 18 | 22 | 26 | 30 | 35 | 38 | 42 | 50 | 55 | 60 |
| F | 2,5 | 3 | 3,5 | 4 | 5 | 6 | 7 | 8 | 9 | 10 | 11 | 12 | 12 | 12 | 12 |
| H | 36 | 45 | 53 | 62 | 71 | 90 | 109 | 128 | 147 | 168 | 187 | 208 | 260 | 298 | 330 |
| K | 8 | 10 | 12 | 14 | 16 | 20 | 24 | 28 | 32 | 38 | 42 | 48 | 60 | 68 | 75 |
| L | 13 | 17 | 20,5 | 27 | 30 | 36 | 45 | 54 | 63 | 68 | 78 | 90 | 100 | 112 | 130 |
Все параметры в таблице указаны в мм.
| Номинальный диаметр резьбы D1 | Рабочая нагрузка (сила приложена вдоль оси рым-болта, кг (1 кН=100кг) |
Рабочая нагрузка (сила приложена к оси рым-болта под углом 45°, кг(1 кН=100кг) |
|---|---|---|
| M8 | 140 | 100 |
| M10 | 230 | 170 |
| M12 | 340 | 240 |
| M16 | 700 | 500 |
| M20 | 1200 | 860 |
| M24 | 1800 | 1290 |
| M30 | 3200 | 2300 |
| M36 | 4600 | 3300 |
| M42 | 6300 | 4500 |
| M48 | 8600 | 6100 |
| M56 | 11500 | 8200 |
| M64 | 16000 | 11000 |
| M72 | 20000 | 14000 |
| M80 | 28000 | 20000 |
| M100 | 40000 | 29000 |