Болты DIN 604 с потайной головкой и ушком

Болты DIN 604 с потайной головкой и ушком

0 ОТЗЫВ-Ы / ДОБАВИТЬ ОТЗЫВ
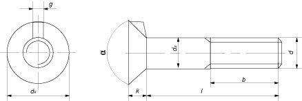
Параметры болта Номинальный диаметр резьбы d
М6 М8 М10 М12 М16 М20 М24
Шаг резьбы, P 1 1,25 1,5 1,75 2 2,5 3
Диаметр головки, dk, не более 12,55 16,55 19,65 24,65 32,8 32,8 38,8
Высота головки, k 4 5 5,5 7 9 11,5 13
Диаметр подголовка, ds, не более 6 8 10 12 16 20 24
Толщина ушка, g, не более 2,5 3 3,2 3,6 4,2 5,4 6,6
α , минимум 90º 60º
Длина резьбовой части, l, мин. 20 20 20 25 30 50 60
Длина резьбовой части, l, макс. 100 150 160 160 160 160 160

Все параметры в таблице указаны в мм.

Болты Din 604
Отзыв
Оставить отзыв
Имя
E-mail
Текст комментария
Оценка для товара
Copyright MAXXmarketing Webdesigner GmbH