Болты DIN 605 с потайной головкой и высоким квадратным подголовником

0 ОТЗЫВ-Ы / ДОБАВИТЬ ОТЗЫВ

Аналоги ГОСТ: ГОСТ 17673-81,ГОСТ 7786-81.

Близкие аналоги (ISO, DIN, EN ISO)

Стандарт Наименование Отличие от DIN 605
DIN 608 Болт с потайной головкой и низким квадратным подголовником Согласно DIN 605 параметры головки
незначительно выше аналогичных параметров DIN 608.
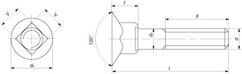
Параметры болта Номинальный диаметр d
М6 М8 М10
Шаг резьбы, P 1 1,25 1,5
Высота резьбовой части, b, не менее 24 28 32
Диаметр нерезьбовой части болта, ds, не более 6 8 10
Высота головки с подголовком, f, не более 7,45 9,45 11,55
Диаметр головки, dk, не более 16,55 20,65 24,65
Длина грани подголовка, v, не более 6,48 8,58 10,58

Все параметры в таблице указаны в мм.

Болты Din 605
Отзыв
Оставить отзыв
Имя
E-mail
Текст комментария
Оценка для товара
Copyright MAXXmarketing Webdesigner GmbH