Болты DIN 608 с потайной головкой и низким квадратным подголовником

0 ОТЗЫВ-Ы / ДОБАВИТЬ ОТЗЫВ

Аналоги ГОСТ:ГОСТ 7786-81

Близкие аналоги (ISO, DIN, EN ISO)

Стандарт Наименование Отличие от DIN 608
DIN 605 Болт с потайной головкой и высоким квадратным подголовником Согласно DIN 608 параметры головки незначительно
ниже аналогичных параметров DIN 605.
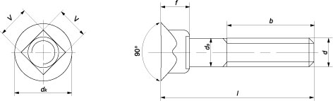
Параметры болта Номинальный диаметр d
М10 М12
Шаг резьбы, P 1,5 1,75
Высота резьбовой части, b 26 30
Диаметр нерезьбовой части болта, ds, не более 10 12
Высота головки с подголовком, f, не более 8,45 11,05
Диаметр головки, dk, не более 19,65 24,65
Длина грани подголовка, v, не более 10,58 12,7

Все параметры в таблице указаны в мм.

Длина болта l, мм Теоретическая масса 1000 шт. болтов, кг. при номинальном диаметре резьбы d
М10 М12
25 18,2 -
30 20,7 33
35 23,2 36,6
40 25,7 40,2
45 28,8 43,8
50 31,9 48,2
Болты Din 608
Отзыв
Оставить отзыв
Имя
E-mail
Текст комментария
Оценка для товара
Copyright MAXXmarketing Webdesigner GmbH