Болт DIN 6914 высокопрочный с шестигранной головкой с увеличенным размером под ключ используется для крепления высоконагруженных предварительно напряженных резьбовых соединений (HV) стальных конструкций. Производство - PEINERUmformtechnik (Германия).
Близкие аналоги ГОСТ:ГОСТ Р 52644-2006,ГОСТ 22353-77.
| Стандарт | Наименование | Примечание |
|---|---|---|
| EN 14.399-4 | Болт высокопрочный с шестигранной головкой с увеличенным размером под ключ | Отсутствуют существенные различия. |
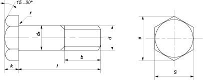
| Параметры болта |
Номинальный диаметр резьбы d | |||||||||
|---|---|---|---|---|---|---|---|---|---|---|
| M12 | M16 | М20 | М22 | М24 | М27 | М30 | М36 | |||
| Шаг резьбы, P |
1,75 | 2 | 2,5 | 2,5 | 3 | 3 | 3,5 | 4 | ||
| ds | 12 | 16 | 20 | 22 | 24 | 27 | 30 | 36 | ||
| с | мин. | 0,4 | 0,4 | 0,4 | 0,4 | 0,4 | 0,4 | 0,4 | 0,4 | |
| макс. | 0,6 | 0,6 | 0,8 | 0,8 | 0,8 | 0,8 | 0,8 | 0,8 | ||
| da, не более |
15,2 | 19,2 | 24 | 26 | 28 | 32 | 35 | 41 | ||
| dw, не менее |
DIN 6914 | 20 | 25 | 30 | 34 | 39 | 43,5 | 47,5 | 57 | |
| EN 14399-4 | 20,1 | 24,9 | 29,5 | 33,3 | 38 | 42,8 | 46,6 | 55,9 | ||
| r | 1,2 | 1,2 | 1,5 | 1,5 | 1,5 | 2 | 2 | 2 | ||
| k | 8 | 10 | 13 | 14 | 15 | 17 | 19 | 23 | ||
| k? | 5,28 | 6,47 | 8,47 | 9,17 | 9,87 | 11,27 | 12,56 | 15,36 | ||
| Диаметр описанной окружности e, не менее |
23,91 | 29,56 | 35,03 | 39,55 | 45,2 | 50,85 | 55,37 | 66,44 | ||
| Размер под ключ, S |
22 | 27 | 32 | 36 | 41 | 46 | 50 | 60 | ||
| Длина резьбовой части , b |
DIN 6914 | ¹) | 21 | 26 | 31 | 32 | 34 | 37 | 40 | 48 |
| ?) | 23 | 28 | 33 | 34 | 37 | 39 | 42 | 50 | ||
| EN 14399-4 | 23 | 28 | 33 | 34 | 39 | 41 | 44 | 52 |
Все параметры в таблице указаны в мм.
| Длина болта l, мм |
Теоретическая масса 1000 шт. болтов, кг. при номинальном диаметре резьбы d | |||||||
|---|---|---|---|---|---|---|---|---|
| M12 | M16 | М20 | М22 | М24 | М27 | М30 | М36 | |
| 30 | 49,1 | |||||||
| 35 | 53,6 | |||||||
| 40 | 58 | 105 | ||||||
| 45 | 62,1 | 113 | 188 | |||||
| 50 | 66,6 | 121 | 200 | 257 | ||||
| 55 | 71 | 129 | 212 | 272 | ||||
| 60 | 75,4 | 137 | 225 | 286 | 362 | |||
| 65 | 79,9 | 145 | 237 | 301 | 380 | |||
| 70 | 84,3 | 153 | 249 | 316 | 398 | 532 | ||
| 75 | 88,8 | 160 | 262 | 331 | 415 | 554 | 701 | |
| 80 | 93,2 | 168 | 274 | 346 | 433 | 576 | 728 | |
| 85 | 97,6 | 176 | 286 | 361 | 451 | 599 | 756 | 1184 |
| 90 | 102 | 184 | 298 | 375 | 467 | 621 | 784 | 1224 |
| 95 | 107 | 192 | 310 | 390 | 485 | 644 | 812 | 1264 |
| 100 | 199 | 322 | 405 | 503 | 665 | 838 | 1304 | |
| 105 | 207 | 335 | 420 | 520 | 688 | 865 | 1336 | |
| 110 | 215 | 347 | 435 | 538 | 710 | 893 | 1376 | |
| 115 | 223 | 359 | 450 | 556 | 732 | 921 | 1415 | |
| 120 | 231 | 372 | 465 | 574 | 755 | 949 | 1455 | |
| 125 | 239 | 384 | 479 | 591 | 777 | 976 | 1495 | |
| 130 | 396 | 494 | 609 | 800 | 1004 | 1535 | ||
| 135 | 409 | 509 | 627 | 822 | 1032 | 1575 | ||
| 140 | 421 | 524 | 645 | 845 | 1059 | 1615 | ||
| 145 | 433 | 539 | 662 | 867 | 1087 | 1655 | ||
| 150 | 446 | 554 | 680 | 890 | 1115 | 1695 | ||
| 155 | 458 | 569 | 698 | 912 | 1143 | 1735 | ||
| 160 | 584 | 716 | 935 | 1170 | 1775 | |||
| 165 | 599 | 733 | 957 | 1198 | 1815 | |||
| 170 | 751 | 979 | 1226 | 1855 | ||||
| 175 | 769 | 1002 | 1254 | 1895 | ||||
| 180 | 787 | 1024 | 1281 | 1935 | ||||
| 185 | 804 | 1047 | 1309 | 1974 | ||||
| 190 | 822 | 1069 | 1337 | 2014 | ||||
| 195 | 840 | 1092 | 1365 | 2054 | ||||
| 200 | 1114 | 1392 | 2094 |