Класс точности: B.
Поле допуска резьбы: 6H.
| Стандарт | Наименование | Примечание |
|---|---|---|
| DIN 934 | Гайка шестигранная | Близкие параметры DIN 934 и ГОСТ 10605-94. |
| EN ISO 4032 | Гайка шестигранная | Практически идентичны EN ISO 4032 и ГОСТ 10605-94 в части размеров диаметра резьбы М48, М52, М56, М64. |
| DIN 555 (EN ISO 4034) | Гайка шестигранная, класс точности C | Близкие параметры DIN 555 (EN ISO 4034) и ГОСТ 10605-94. |
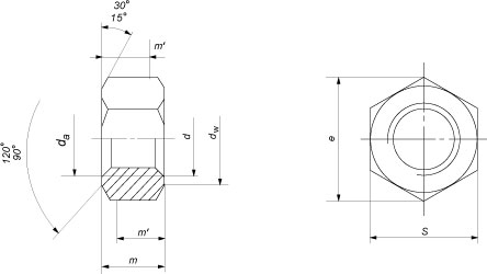
| Параметры гайки | Номинальный диаметр резьбы d |
||||||||||||
|---|---|---|---|---|---|---|---|---|---|---|---|---|---|
| М52 | М56 | M64 | M72 | M76 | M80 | M90 | M100 | М110 | М125 | М140 | М150 | ||
| Шаг резьбы, P |
кр. | 5 | 5,5 | 6 | - | - | - | - | - | - | - | - | - |
| мел. | 3 | 4 | 4 | 6 и 4 | |||||||||
| da | мин. | 52 | 56 | 64 | 72 | 76 | 80 | 90 | 100 | 110 | 125 | 140 | 150 |
| макс. | 56,2 | 60,5 | 69,1 | 77,8 | 82,1 | 86,4 | 97,2 | 108 | 118,8 | 135 | 151 | 162 | |
| Высота m, максимум |
42 | 45 | 51 | 58 | 61 | 64 | 72 | 80 | 88 | 100 | 112 | 128 | |
| Высота m?, минимум |
32,3 | 34,7 | 39,3 | 44,9 | 47,3 | 49,7 | 56,1 | 62,5 | 68,6 | 78,2 | 87,8 | 100,4 | |
| Диаметр описанной окружности e, не менее |
88,25 | 93,56 | 104,9 | 116,2 | 121,81 | 127,46 | 144,08 | 161 | 172,3 | 200,6 | 222,72 | 250,97 | |
| dw, не менее | 74,2 | 78,7 | 88,2 | 97,7 | 102,4 | 107,2 | 121,1 | 135,4 | 144,9 | 168,6 | 187,2 | 211 | |
| Размер под ключ, S |
80 | 85 | 95 | 105 | 110 | 115 | 130 | 145 | 155 | 180 | 200 | 225 |
*Все параметры в таблице указаны в мм.
| Шаг резьбы, P | Теоретическая масса 1шт. гаек (кг) при номинальном диаметре резьбы d, мм | ||||||||||||
|---|---|---|---|---|---|---|---|---|---|---|---|---|---|
| М52 | М56 | M64 | M72 | M76 | M80 | M90 | M100 | М110 | М125 | М140 | М150 | ||
| Крупный 5; 5,5; 6 | 1,21 | 1,45 | 1,99 | - | - | - | - | - | - | - | - | - | |
| Мелкий | 3;4 | 1,18 | 1,42 | 1,94 | 2,63 | 2,99 | 3,39 | 4,88 | 6,76 | 8,12 | 12,79 | 17,43 | 24,51 |
| 6 | - | - | - | 2,69 | 3,06 | 3,47 | 4,98 | 6,88 | 8,27 | 12,99 | 17,67 | 24,83 |