Гайки DIN 467 низкого типа с накаткой

0 ОТЗЫВ-Ы / ДОБАВИТЬ ОТЗЫВ

Близкие аналоги (ISO, DIN, EN)

Стандарт Наименование Отличие от DIN467
DIN 466 Гайка высокого типа с накатанной головкой По аналогичным диаметрам резьбы высота гайки больше прим. в 2 раза.
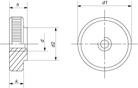
Параметры гайки Номинальный диаметр резьбы d
M1 M1,2 M1,4 M1,6 M2 М2,5 М3 М4 М5 М6 М8 М10
Шаг резьбы, p 0,25 0,25 0,3 0,35 0,4 0,45 0,5 0,7 0,8 1 1,25 1,5
Диаметр, d1 5,5 6 7 7,5 9 11 12 16 20 24 30 36
Диаметр, d2 2,8 3 3,5 3,8 4,5 5 6 8 10 12 16 20
Высота гайки, h 2 2 2,5 2,5 2,5 3 3 4 5 6 8 10
Высота накатанной головки, k 1,5 1,5 2 2 2 2,5 2,5 3,5 4 5 6 8

Все параметры в таблице указаны в мм.

Гайки Din 467
Отзыв
Оставить отзыв
Имя
E-mail
Текст комментария
Оценка для товара
Copyright MAXXmarketing Webdesigner GmbH