Аналоги ГОСТ: ГОСТ 11871-88.
| Параметры гайки |
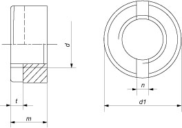
Номинальный диаметр резьбы d | |||||||||||||||||
|---|---|---|---|---|---|---|---|---|---|---|---|---|---|---|---|---|---|---|
| M1 | M1,2 | M1,4 | M1,6 | M2 | М2,5 | М3 | М3,5 | М4 | М5 | М6 | М8 | М10 | М12 | М14 | М16 | М18 | М20 | |
| Шаг резьбы, P |
0,25 | 0,25 | 0,3 | 0,35 | 0,4 | 0,45 | 0,5 | 0,6 | 0,7 | 0,8 | 1 | 1,25 | 1,5 | 1,75 | 2 | 2 | 2,5 | 2,5 |
| Диаметр, d1 |
2,5 | 3 | 3 | 3,5 | 4,5 | 5,5 | 6 | 7 | 8 | 9 | 11 | 14 | 18 | 21 | 24 | 26 | 29 | 32 |
| Высота гайки, m |
1 | 1,2 | 1,4 | 1,6 | 2 | 2,2 | 2,5 | 3 | 3,5 | 4,2 | 5 | 6,5 | 8 | 10 | 11 | 12 | 13 | 14 |
| Глубина шлица, t |
0,3 | 0,4 | 0,5 | 0,6 | 0,8 | 0,9 | 1 | 1 | 1,2 | 1,5 | 2 | 2,5 | 3,2 | 3,8 | 3,8 | 3,8 | 4,8 | 4,8 |
| Ширина шлица, n |
0,3 | 0,4 | 0,4 | 0,5 | 1 | 1,2 | 1,2 | 1,4 | 1,4 | 2 | 2,5 | 3 | 3,5 | 4 | 4 | 4 | 4 | 5 |
Все параметры в таблице указаны в мм.