Гайки DIN 547 круглые с двумя торцевыми отверстиями

0 ОТЗЫВ-Ы / ДОБАВИТЬ ОТЗЫВ
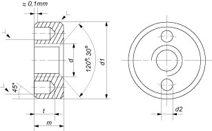
Параметры гайки Номинальный диаметр резьбы d
M2 М2,5 М3 М4 М5 М6 М8 М10
Шаг резьбы, P 0,4 0,45 0,5 0,7 0,8 1 1,25 1,5
Диаметр, d1 5,5 7 8 10 12 14 18 22
Высота гайки, m 2 2,2 2,5 3,5 4,2 5 6,5 8
Глубина отверстия, t по всей высоте гайки 1,3 1,8 2,3 2,8 3,3 3,8
Диаметр отверстия, d2 1 1,2 1,5 1,5 2 2,5 3 3,5

Все параметры в таблице указаны в мм.

Гайки Din 547
Отзыв
Оставить отзыв
Имя
E-mail
Текст комментария
Оценка для товара
Copyright MAXXmarketing Webdesigner GmbH