Гайки DIN 928 квадратные сварные

0 ОТЗЫВ-Ы / ДОБАВИТЬ ОТЗЫВ

Аналоги (ISO, DIN, EN)

Стандарт Наименование Отличие от DIN 928
DIN 929 Гайка шестигранная сварная Шесть граней вместо четырех.
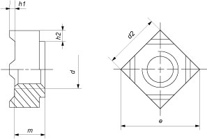
Параметры гайки Номинальный диаметр резьбы d
М4 М5 М6 М8 М10 М12 М14 М16
Шаг резьбы, P - - - 1 1,25 1,25 1,5 1,5
Диаметр, d1 6,4 8,2 9,1 12,8 15,6 17,4 20,4 22,4
Высота гайки, m 3,5 4,2 5 6,5 8 9,5 11,4 13
Длина грани, s 7 9 10 14 17 19 22 24
Диагональ квадратного сечения, не менее, e 9 12 13 18 22 25 28 32
Высота приварных выступов, h1 0,6 0,8 0,8 1 1,2 1,4 1,4 1,6
Высота, не менее, h2 0,4 0,6 0,7 1,1 1,25 1,75 1,75 2

Все параметры в таблице указаны в мм.

Гайки Din 928
Отзыв
Оставить отзыв
Имя
E-mail
Текст комментария
Оценка для товара
Copyright MAXXmarketing Webdesigner GmbH