Гайки DIN 937 (EN ISO 7038) шестигранные корончатые низкие

Гайки DIN 937 (EN ISO 7038) шестигранные корончатые низкие

0 ОТЗЫВ-Ы / ДОБАВИТЬ ОТЗЫВ

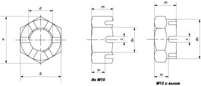
Гайка представлена в 2 исполнениях:

  • исполнение 1 — для гаек с номинальным диаметром резьбы до М10;
  • исполнение 2 — для размеров М12 и выше.

Аналоги ГОСТ: ГОСТ 5919-73, 5932-73.

Аналоги (ISO, DIN, EN)

Стандарт Наименование Отличие от DIN 937
DIN 979 Гайка шестигранная корончатая низкая Расстояние от опорной поверхности до основания прорези и коронки незначительно меньше в DIN 979.
EN ISO 7038 Гайка шестигранная корончатая низкая Практически идентичны. В стандарте EN ISO 7038 новый размер под ключ (M10, 12, 14, 22).
Параметры
гайки
Номинальный диаметр резьбы d
M6 M8 M10 M12 M14 M16 М18 М20 М24 М27 М30
Шаг
резьбы, P
Крупный 1 1,25 1,5 1,75 2 2 2,5 2,5 3 3 3,5
Мелкий - 1 1 1,5 1,5 1,5 1,5 1,5 1,5 1,5 1,5
Высота
максимальная, m
5 6,5 8 10 11 13 15 16 19 17 24
Расстояние от
опорной поверхности
до основания прорези
и коронки w, не более
3,2 4,5 5 6 7 7 8 8 9 11 11
Диаметр описанной
окружности e, не менее
11,05 14,38 17,77 20,03 23,35 26,75 29,56 32,95 39,55 45,2 50,85
Диаметр коронки
de, максимальный
- - - 17 19 22 25 28 34 38 42
Ширина прорези
n, не более
2 2,5 2,8 3,5 3,5 4,5 4,5 4,5 5,5 5,5 7
Размер
под ключ, S
10 13 17 19 22 24 27 30 36 40 46
Размер шплинта
под диаметр
1,6х14 2х16 2,5х20 3,2х22 3,2х25 4х28 4х32 4х36 5х40 5х45 6,3х50

Все параметры в таблице указаны в мм.

Гайки Din 937
Отзыв
Оставить отзыв
Имя
E-mail
Текст комментария
Оценка для товара
Copyright MAXXmarketing Webdesigner GmbH