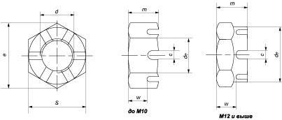
Гайка представлена в 2 исполнениях:
Аналоги ГОСТ: ГОСТ 5919-73, 5932-73.
| Стандарт | Наименование | Отличие от DIN 979 |
|---|---|---|
| DIN 937 | Гайка шестигранная корончатая низкая | Расстояние от опорной поверхности до основания прорези и коронки незначительно больше в DIN 937. |
| EN ISO 7038 | Гайка шестигранная корончатая низкая | Практически идентичны. |
| Параметры гайки |
Номинальный диаметр резьбы d | |||||||||
|---|---|---|---|---|---|---|---|---|---|---|
| M6 | M8 | M10 | M12 | M14 | M16 | М18 | М20 | М22 | ||
| Шаг резьбы, P | Крупный | 1 | 1,25 | 1,5 | 1,75 | 2 | 2 | 2,5 | 2,5 | 2,5 |
| Мелкий | - | 1 | 1 | 1,25 | 1,5 | 1,5 | 1,5 | 1,5 | 1,5 | |
| 1,25 | 1,5 | 2 | 2 | 2 | ||||||
| Высота максимальная, m |
5 | 6,5 | 8 | 10 | 11 | 13 | 15 | 16 | 18 | |
| Диаметр описанной окружности e, не менее |
11,05 | 14,38 | 17,77 | 20,03 | 23,35 | 26,75 | 29,56 | 32,95 | 37,29 | |
| Расстояние от опорной поверхности до основания прорези и коронки, w |
мин | 2,25 | 3,2 | 3,7 | 4,7 | 5,7 | 6,64 | 8,64 | 9,64 | 9,64 |
| макс | 2,5 | 3,5 | 4 | 5 | 6 | 7 | 9 | 10 | 10 | |
| Диаметр коронки de, максимальный |
16 | 18 | 22 | 25 | 28 | 32 | ||||
| Ширина прорези n |
мин | 2 | 2,5 | 2,8 | 3,5 | 3,5 | 4,5 | 4,5 | 4,5 | 5,5 |
| макс | 2,25 | 2,75 | 3,05 | 3,8 | 3,8 | 4,8 | 4,8 | 4,8 | 5,8 | |
| Размер под ключ, S |
10 | 13 | 16 | 18 | 21 | 24 | 27 | 30 | 34 | |
| Размер шплинта под диаметр |
1,6х14 | 2х16 | 2,5х20 | 3,2х22 | 3,2х25 | 4х28 | 4х32 | 4х36 | 5х36 |
| Параметры гайки |
Номинальный диаметр резьбы d | ||||||||||
|---|---|---|---|---|---|---|---|---|---|---|---|
| М24 | М27 | М30 | M33 | M36 | M39 | М42 | М45 | М48 | М52 | ||
| Шаг резьбы, P | Крупный | 3 | 3 | 3,5 | 3,5 | 4 | 4 | 4,5 | 4,5 | 5 | 5 |
| Мелкий | 2 | 2 | 2 | 2 | 3 | 3 | 3 | 3 | 3 | 3 | |
| Высота максимальная, m |
19 | 22 | 24 | 26 | 29 | 31 | 33 | 34,5 | 36 | 38 | |
| Диаметр описанной окружности e, не менее |
39,55 | 45,2 | 50,85 | 55,37 | 60,79 | 66,44 | 71,3 | 76,95 | 82,6 | 88,25 | |
| Расстояние от опорной поверхности до основания прорези и коронки, w |
мин | 10,57 | 13,57 | 14,57 | 16,57 | 19,48 | 21,48 | 21,48 | 22,02 | 23,48 | 25,48 |
| макс | 11 | 14 | 15 | 17 | 20 | 22 | 22 | 22,5 | 24 | 26 | |
| Диаметр коронки de, максимальный |
34 | 38 | 42 | 46 | 50 | 55 | 58 | 62 | 65 | 70 | |
| Ширина прорези n |
мин | 5,5 | 5,5 | 7 | 7 | 7 | 7 | 9 | 9 | 9 | 9 |
| макс | 5,8 | 5,8 | 7,36 | 7,36 | 7,36 | 7,36 | 9,36 | 9,36 | 9,36 | 9,36 | |
| Размер под ключ, S |
36 | 41 | 46 | 50 | 55 | 60 | 65 | 70 | 75 | 80 | |
| Размер шплинта под диаметр |
5х40 | 5х45 | 6,3х50 | 6,3х56 | 6,3х63 | 6,3х71 | 8х71 | 8х80 | 8х80 | 8х90 |
Все параметры в таблице указаны в мм.