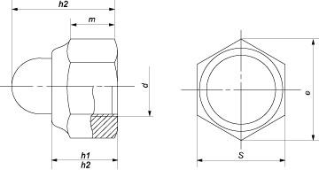
Гайка DIN 986 колпачковая самоконтрящаяся с неметаллической вставкой.
| Стандарт | Наименование | Отличие от DIN 986 |
|---|---|---|
| DIN 1587 | Гайка колпачковая шестигранная | Нет вставки. |
| Параметры гайки | Номинальный диаметр резьбы d | ||||||||
|---|---|---|---|---|---|---|---|---|---|
| М4 | М5 | М6 | М8 | М10 | М12 | М14 | М16 | М20 | |
| Шаг резьбы, P | 0,7 | 0,8 | 1 | 1,25 | 1,5 | 1,75 | 2 | 2 | 2,5 |
| Размер под ключ, s | 7 | 8 | 10 | 13 | 16 | 18 | 21 | 24 | 30 |
| Диаметр описанной окружности, не менее, e | 7,66 | 8,79 | 11,05 | 14,38 | 17,77 | 20,03 | 23,35 | 26,75 | 32,95 |
| Высота гайки, h1 | 9,6 | 10,5 | 12 | 14 | 18,1 | 22,5 | 26,4 | 27,5 | 35 |
| Высота граней вместе с вставкой, h2 | 5,6 | 6 | 7,5 | 8,9 | 10,5 | 13,5 | 15,5 | 16,5 | 21 |
| Высота грани, m | 2,9 | 4,4 | 4,9 | 6,44 | 8,04 | 10,37 | 12,1 | 14,1 | 16,9 |
Все параметры в таблице указаны в мм.