Аналоги (ISO, DIN, EN)
| Стандарт |
Наименование |
Отличие от DIN 6927 |
| EN 1664 |
Гайка самоконтрящаяся цельнометаллическая с буртиком (крупный шаг резьбы) |
Практически идентичны. |
| EN 1667 |
Гайка самоконтрящаяся цельнометаллическая с буртиком (мелкий шаг резьбы) |
Практически идентичны |
DIN 6927, EN 1664 (крупный шаг резьбы)
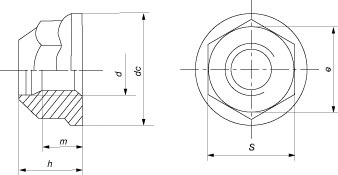
| Параметры гайки |
Номинальный диаметр резьбы d |
| М5 |
M6 |
M8 |
M10 |
M12 |
M14 |
M16 |
М20 |
| Шаг резьбы, P |
0,8 |
1 |
1,25 |
1,5 |
1,75 |
2 |
2 |
2,5 |
| Высота гайки, h |
6,2 |
7,3 |
9,4 |
11,4 |
13,8 |
15,9 |
18,3 |
22,4 |
| Минимальная высота под ключ, m |
4,7 |
5,7 |
7,6 |
9,6 |
11,6 |
13,3 |
15,3 |
18,7 |
| Диаметр буртика, dc |
11,8 |
14,2 |
17,9 |
21,8 |
26 |
29,9 |
34,5 |
42,8 |
| Диаметр описанной окружности e, не менее |
8,79 |
11,05 |
14,38 |
17,77 |
20,03 |
23,36 |
26,75 |
32,95 |
| Размер под ключ, S |
8 |
10 |
13 |
16 |
18 |
21 |
24 |
30 |
DIN 6927, EN ISO 1667 (мелкий шаг резьбы)
| Параметры гайки |
Номинальный диаметр резьбы d |
| M8 |
M10 |
M12 |
M14 |
M16 |
М20 |
| Шаг резьбы, P |
1 |
1 |
1,25 |
1,5 |
1,5 |
1,5 |
| 1,25 |
1,5 |
| Высота гайки, h |
9,4 |
11,4 |
13,8 |
15,9 |
18,3 |
22,4 |
| Минимальная высота под ключ, m |
7,6 |
9,6 |
11,6 |
13,3 |
15,3 |
18,7 |
| Диаметр буртика, dc |
17,9 |
21,8 |
26 |
29,9 |
34,5 |
42,8 |
| Диаметр описанной окружности e, не менее |
14,38 |
17,77 |
20,03 |
23,36 |
26,75 |
32,95 |
| Размер под ключ, S |
13 |
16 |
18 |
21 |
24 |
30 |
Все параметры в таблице указаны в мм.