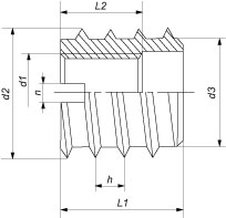
Муфта мебельная резьбовая (резьбовой дюбель).
| Параметры вкладки | Номинальный диаметр резьбы d | ||||||||
|---|---|---|---|---|---|---|---|---|---|
| М3 | М4 | М5 | М6 | М8 | М10 | М12 | М16 | М20 | |
| Диаметр, d1 | 6 | 8 | 10 | 12 | 16 | 18,5 | 22 | 25 | 29 |
| Диаметр, d2 | 4,5 | 5,5 | 7,5 | 9,5 | 12,5 | 15 | 18 | 20,5 | 24 |
| Диаметр, d3 | 3,5 | 4,5 | 6 | 7,5 | 10 | 12 | 15 | 17,5 | 21 |
| Высота гайки, наиболее распространенная, L1 | 8 | 10 | 12 | 15 | 18 | 25 | 30 | 30 | 30 |
| Высота резьбовой части гайки, L2 | 5 | 6 | 7 | 9 | 11 | 13 | 16 | 16 | 20 |
| Шаг внешней резьбы, h | 2 | 2,5 | 3,5 | 4 | 5 | 5 | 5 | 5 | 5 |
| Ширина выемки, n | 1 | 1,2 | 1,6 | 2 | 2,5 | 3 | 3 | 4 | 5 |
Все параметры в таблице указаны в мм.