Хомут ответвительный SWIC 727/09

Хомут ответвительный SWIC 727/09

0 ОТЗЫВ-Ы / ДОБАВИТЬ ОТЗЫВ

Производитель: AVK

Хомут ответвительный AVK SWIC 727/09 с встроенной фрезой предназначен для установки на ПЭ и ПВХ трубы сетей напорного водоснабжения. Температура рабочей среды не должна превышать 70. Внутренняя резьба по стандарту BSP ½”- 2”.

Материалы

  • Корпус хомута из шарографитного чугуна GJS-400-15 (GGG-40), с эпоксидным покрытием внутри и снаружи по стандарту DN 30677-2.
  • Шток и фреза из нержавеющей стали AISI 304.
  • Уплотнение штока состоит из грязесъемного кольца из резины NBR и 2 шт. О-колец из NBR внутри и 2 шт. снаружи пластикового подшипника.
  • Уплотнение задвижки из ПОМ.
  • Верхняя часть корпуса, фреза штока, гайка и седло задвижки из латуни CZ 132.
  • Резиновая обкладка, прокладка и О-кольцо из резины NBR.
  • Болты из нержавеющей стали AISI 304, шайбы из нержавеющей стали AISI 316, гайки оцинкованы, из нержавеющей стали AISI 316.
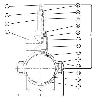
Ответвительный хомут AVK SWIC 727 схема

Компоненты

  1. Корпус
  2. Верхняя часть
  3. Гайка
  4. Наконечник штока
  5. Грязесъемное кольцо
  6. Подшипник
  7. Вал фрезы
  8. О-кольцо
  9. Уплотнение задвижки
  10. Фреза
  11. Седло задвижки
  12. Прокладка
  13. Болт
  14. Шайба
  15. Гайка
  16. Резиновая обкладка
  17. Нижняя часть хомута
№ изделия AVK Dd, мм H, мм Вес, кг
727-0905-01200000 * 110 325 190 7,0
727-0905-02200000 ** 110 325 190 7,0
727-0905-03200000 *** 110 325 190 7,0
727-0905-04200000 **** 110 325 190 7,0
727-0905-05200000 ***** 110 325 190 7,0
727-0905-06200000 ****** 110 325 190 7,0
727-0906-01200000 * 125 333 207 7,5
727-0906-02200000 ** 125 333 207 7,5
727-0906-03200000 *** 125 333 207 7,5
727-0906-04200000 **** 125 333 207 7,5
727-0906-05200000 ***** 125 333 207 7,5
727-0906-06200000 ****** 125 333 207 7,5
727-0907-01200000 * 140 340 226 9,0
727-0907-02200000 ** 140 340 226 9,0
727-0907-03200000 *** 140 340 226 9,0
727-0907-04200000 **** 140 340 226 9,0
727-0907-05200000 ***** 140 340 226 9,0
727-0907-06200000 ****** 140 340 226 9,0
727-0908-01200000 * 160 353 254 11
727-0908-02200000 ** 160 353 254 11
727-0908-03200000 *** 160 353 254 11
727-0908-04200000 **** 160 353 254 11
727-0908-05200000 ***** 160 353 254 11
727-0908-06200000 ****** 160 353 254 11
727-0909-01200000 * 200 371 300 14
727-0909-02200000 ** 200 371 300 14
727-0909-03200000 *** 200 371 300 14
727-0909-04200000 **** 200 371 300 14
727-0909-05200000 ***** 200 371 300 14
727-0909-06200000 ****** 200 371 300 14
727-0910-01200000 * 225 383 325 16
727-0910-02200000 ** 225 383 325 16
727-0910-03200000 *** 225 383 325 16
727-0910-04200000 **** 225 383 325 16
727-0910-05200000 ***** 225 383 325 16
727-0910-06200000 ****** 225 383 325 16

* 1/2" резьба по стандарту BSP

** 3/4" резьба по стандарту BSP

*** 1" резьба по стандарту BSP

**** 1 1/4" резьба по стандарту BSP

***** 1 1/2" резьба по стандарту BSP

****** 2" резьба по стандарту BSP

Отзыв
Оставить отзыв
Имя
E-mail
Текст комментария
Оценка для товара
Copyright MAXXmarketing Webdesigner GmbH